如图所示,理想变压器的副线圈上通过输电线接有三个灯泡L1、L2和L3,输电线的等效电阻为R,原线圈接有一个理想的电流表,开始时,开关S接通。当S断开时,以下说法中正确的是![]()
| A.原线圈两端P、Q间的输入电压减小 |
| B.等效电阻R上消耗的功率变小 |
| C.原线圈中电流表示数增大 |
| D.灯泡L1和L2变亮 |
如图所示,L1、L2是高压输电线,图中两电表示数分别是220V和1A,已知甲图中原副线圈匝数比为 100:1,乙图中原副线圈匝数比为1:10,则![]()
| A.甲图中的电表是电压表,输电电压为22000V |
| B.甲图是电流互感器.输电电流是100A |
| C.乙图中的电表是电压表,输电电压为22000V |
| D.乙图是电流互感器,输电电流是10A |
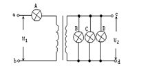
图为某小型水电站的电能输送示意图,发电机通过升压变压器T1和降压变压器T2向用户供电.已知输电线的总电阻R=10
,降压变压器T2的原、副线圈匝数之比为4∶1,副线圈与用电器R0组成闭合电路.若T1、T2均为理想变压器,T2的副线圈两端电压u=220
sin100
tV,当用电器电阻R0=11
时,( )![]()
| A.通过用电器R0的电流有效值是20A |
| B.发电机中的电流变化频率为100Hz |
| C.升压变压器的输入功率为4650W |
| D.当用电器的电阻R0减小时,发电机的输出功率减小 |
山区小型水力发电站的发电机有稳定的输出电压,它发出的电先通过电站附近的升压变压器升压,然后通过输电线路把电能输送到远处村寨附近的降压变压器,经降低电压后再输送至各用户.设变压器都是理想的,那么在用电高峰期,随用电器总功率的增加,将导致( )
| A.升压变压器初级线圈中的电流变小 |
| B.升压变压器次级线圈两端的电压不变 |
| C.高压输电线路的电压损失变大 |
| D.降压变压器次级线圈两端的电压变小 |
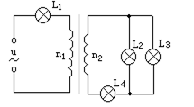
如图所示为理想变压器,3个灯泡L1,L2,L3都标有“5V,5W”,L4标有“5V,10W”.若它们都能正常发光,则变压器原、副线圈匝数n1∶n2和输入电压u应为( ) ![]()
| A.2∶1,25伏 | B.1∶2,20伏 |
| C.1∶2,25伏 | D.2∶1,20伏 |
理想变压器的原线圈通入i=Imsinωt的交变电流,一灯泡和交流电流表串联后接在副线圈两端,读数是0.4A,当t=
时,原线圈的电流i=30mA,由此可知,此变压器的原副线圈的匝数之比为
| A.40﹕3 | B.3﹕40 | C.40 | D.4﹕30 |
如图所示,理想变压器原、副线圈的匝数比为n1:n2=3:1,L1、L2、L3、L4为四只相同的灯泡,当开关S接通时,L2、L3、L4正常发光,则![]()
| A.L1也正常发光 |
| B.L1比正常发光稍暗 |
| C.L1比正常发光亮,并有可能被烧毁 |
| D.不能确定L1的发光情况 |
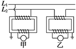
在家用交流稳压器中,变压器的原、副线圈都带有滑动头,如图6所示.当变压器输入电压发生变化时,可上下调节P1、P2的位置,使输出电压稳定在220 V上.现发现输出电压低于220 V,下列措施正确的是 ( )![]()
| A.P1不动,将P2向上移 |
| B.P2不动,将P1向下移 |
| C.将P1向上移,同时P2向下移 |
| D.将P1向下移,同时P2向上移 |