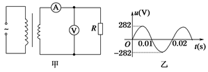
理想变压器连接电路如图甲所示,已知原副线圈匝数比为10∶1,当输入电压波形如图乙时,电流表读数2 A,则( )![]()
| A.电压表读数282 V |
| B.电压表读数28.2 V |
| C.输入功率为56.4 W |
| D.输入功率为40 W |
如图所示,50匝矩形闭合导线框ABCD处于磁感应强度大小B=
/10T的水平匀强磁场中,线框面积S=0.5m2,线框电阻不计。线框绕垂直于磁场的轴OO′以角速度ω=200 rad/s匀速转动,并与理想变压器原线圈相连,副线圈接入一只“220V,60W”灯泡,且灯泡正常发光,熔断器允许通过的最大电流为10A,下列说法正确的是( )![]()
| A.中性面位置穿过线框的磁通量为零 |
| B.线框中产生交变电压的有效值为500 |
| C.变压器原、副线圈匝数之比为25∶11 |
| D.允许变压器输出的最大功率为5 000W |
用理想变压器给负载
供电,在输入电压一定的情况下,能使变压器输入功率增大的是( )
| A.减小负载电阻 | B.增大负载电阻 |
| C.增加副线圈的匝数 | D.减小副线圈的匝数 |
如图所示,理想变压器原、副线圈的匝数比为1:10,接线柱a、b接在电压为u=10
sin100πtV的正弦交流电源上,R1为定值电阻,其阻值为100Ω,R2为用半导体热敏材料制成的传感器.下列说法中正确的是![]()
| A.t= |
| B.t= |
| C.在1min内电阻R1上产生的热量为6000J |
| D.当R2的温度升高时,电压表示数不变,电流表示数变大 |
如图所示,M是一个小型理想变压器,原副线圈匝数之比n1∶n2=10∶1,接线柱a、b接上一个正弦交变电源,电压
sin(50
t)V。变压器右侧部分为一火警报警系统原理图,其中R2为用半导体热敏材料(电阻随温度升高而减小)制成的传感器,R1为一定值电阻。下列说法中正确的是 ( )![]()
| A.电压表 |
| B.副线圈中输出交流电的周期为0.02s |
| C.当传感器R2所在处出现火警时,电压表 |
| D.当传感器R2所在处出现火警时,电流表 |
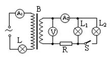
图中B为理想变压器,接在交变电压有效值保持不变的电源上.L为指示灯,灯泡L1和L2完全相同(其阻值均恒定不变),R是一个定值电阻,电压表、电流表都为理想电表。开始时开关S是闭合的,当S断开后,下列说法正确的是( )![]()
| A.电压表的示数变大 | B.电流表A1的示数变大 |
| C.电流表A2的示数变大 | D.灯泡L1的亮度变亮 |
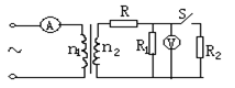
如图所示,某理想变压器的原线圈接一交流电,副线圈接如图所示电路,电键S原来闭合,且R1=R2,现将S断开,那么交流电压表的示数U、
交流电流表的示数I、电阻R1上的功率P1及该变压器原线圈的输入功率P的变化情况分别是:![]()
| A.U增大 | B.I增大 | C.P1减小 | D.P减小 |
调压变压器就是一种自耦变压器,它的构造如图乙所示.线圈AB绕在一个圆环形的铁芯上,CD之间输入交变电压,转动滑动触头P就可以调节输出电压.图乙中两电表均为理想交流电表,R1、R2为定值电阻,R3为滑动变阻器. 现在CD两端输入图甲所示正弦式交流电,变压器视为理想变压器,那么( )
| A.由甲图可知CD两端输入交流电压u的表达式为 |
| B.当动触头P逆时针转动时,MN之间输出交流电压的频率变大 |
| C.当滑动变阻器滑动触头向下滑动时,电流表读数变大,电压表读数也变大 |
| D.当滑动变阻器滑动触头向下滑动时,电阻R2消耗的电功率变小 |