如图所示,理想变压器原线圈匝数n1=1210匝,副线圈匝数n2=121匝,原线圈电压u=311sin100πt(V),负载电阻R=44Ω,不计电表对电路的影响,各电表的读数应为![]()
| A. |
| B. |
| C. |
| D. |
如图所示,理想变压器的原、副线圈匝数之比为10∶1,R1=20Ω,R2=10Ω, C为电容器,原线圈所加电压u=220
sin100πt(V).下列说法正确的是.![]()
| A.原线圈的电流为0.33A |
| B.电阻R2的电功率为48.4W |
| C.原、副线圈两端交变电压的频率比为10:1 |
| D.原、副线圈铁芯中磁通量变化率之比为10:1 |
一理想变压器原、副线圈的匝数比为10:1,原线圈输入电压的变化规律如图甲所示,副线圈所接电路如图乙所示,P为滑动变阻器的触头.下列说法正确的是![]()
| A.P向右移动时,副线圈两端电压的最大值将增大 |
| B.P向右移动时,变压器的输出功率增加 |
| C.该交流电的电压瞬时值的表达式为u=31lsin(50 |
| D.副线圈输出电压的有效值为31.lV |
如图所示,M为理想变压器,电表均可视为理想电表,电源电压U不变,输电线电阻忽略不计。当变阻器滑片P向上移动时,读数发生变化的电表是![]()
| A.A1 | B.A2 |
| C.V1 | D.V2 |
图中理想变压器原、副线圈的匝数之比为2∶1,现在原线圈两端加上交变电压u="311sin(100πt+π)" V时,灯泡L1、L2均正常发光,电压表和电流表可视为理想电表.则下列说法中正确的是![]()
| A.该交流电的频率为100Hz |
| B.电压表的示数为155.5V |
| C.若将变阻器的滑片P向上滑动,则L1将变暗、L2将变亮 |
| D.若将变阻器的滑片P向上滑动,则电流表读数变大 |
理想变压器原线圈两端电压不变,当副线圈电路中的电阻减小时,下列说法中正确的是:
( )
| A.输出电流增大,输入电流减小 | B.输出电流增大,输入电流也随之增大 |
| C.输出电压变大 | D.输出功率和输入功率都增大 |
如图所示,理想变压器原、副线圈的匝数比n1∶n2=4∶1,当导体棒l在匀强磁场中以速度v向左做匀速直线运动切割磁感线时,电流表
的示数是12 mA,则电流表
的示数为![]()
| A.3 mA | B.0 mA |
| C.48 mA | D.与负载R的值有关 |
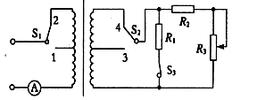
有一电路连接如图所示,理想变压器初级线圈接电压一定的交流电源,则下列说法中正确的是:![]()
| A.只将S1从2拨向1时,电流表示数变小 |
| B.只将S2从4拨向3时,电流表示数变小 |
| C.只将S3从断开变为闭合,变压器的输入功率减小 |
| D.只将变阻器R3的滑动触头上移,变压器的输入功 |
如图所示,L1、L2是高压输电线,图中两电表示数分别是220V和10A,已知甲图中原 副线圈匝数比为 100:1,乙图中原副线圈匝数比为1:10,则 ( )![]()
| A.甲图中的电表是电压表,输电电压为22000 V |
| B.甲图是电流互感器.输电电流是100 A |
| C.乙图中的电表是电压表,输电电压为22000 V |
| D.乙图是电流互感器,输电电流是100 A |
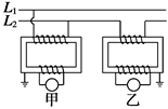
如图,电路中有四个完全相同的灯泡,额定电压均为U 。变压器为理想变压器,现在四个灯泡都正常发光,则关于变压器的匝数比n1:n2和电源电压U1,下列说法正确的是( ) ![]()
| A.1:2 2U | B.1:2 4U |
| C.2:1 4U | D.2:1 2U |