如图所示为一理想变压器,S为单刀双掷开关,P是滑动变阻器的滑动触头,U1为加在原线圈两端电压,I1为原线圈中的电流,则:( )![]()
| A.保持U1不变及P的位置不变,S由a合到b时,I1将增大 |
| B.保持U1不变及P的位置不变,S由b合到a时,R消耗的功率减小 |
| C.保持U1不变,S合在a处,当P上滑时,I1将增大 |
| D.保持P的位置不变,S合在a处,当U1增大时,I1将增大 |
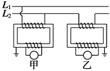
、如图所示,M、N为两条交流输电线,甲、乙两图是配电室中的互感器和交流电表的两种接线示意图,以下说法正确的是( )![]()
| A.甲图中的电表是交流电压表,乙图中的电表是交流电流表 |
| B.甲图中的电表是交流电流表,乙图中的电表是交流电压表 |
| C.在乙图中,线圈N4的导线一定比线圈N3的导线粗 |
| D.甲、乙两图中的电表均为交流电流表 |
、关于理想变压器的工作原理,以下说法中正确的是( )
| A.通有正弦式交变电流的原线圈产生的磁通量不变 |
| B.穿过原、副线圈的磁通量在任何时候都不相等 |
| C.穿过副线圈磁通量的变化使得副线圈产生感应电动势 |
| D.原线圈中的电流通过铁芯流到了副线圈 |
一个正常工作的理想变压器的原、副线圈中,下列的哪个物理量不相等( )
| A.交变电流的频率 | B.电流的有效值 |
| C.电功率 | D.磁通量的变化率 |
.如图所示,M是一个小型理想变压器,原副线圈匝数之比n1∶n2=10∶1,接线柱a、b接上一个正弦交变电源,电压
V。变压器右侧部分为一火警报警系统原理图,其中R2为用半导体热敏材料(电阻随温度升高而减小)制成的传感器,R1为一定值电阻。下列说法中正确的是 ( )
| A.电压表 |
| B.当传感器R2所在处出现火警时,电压表 |
| C.当传感器R2所在处出现火警时,电流表 |
| D.当传感器R2所在处出现火警时,电阻R1的功率变大 |
如图所示,L1、L2是高压输电线,图中两电表示数分别是220V和10A,已知甲图中原、副线圈匝数比为100:1,乙图中原副线圈匝数比为1:10,则![]()
| A.甲图中的电表是电压表,输电电压为2200 V |
| B.甲图是电流互感器.输电电流是100 A |
| C.乙图中的电表是电压表,输电电压为22000 V |
| D.乙图是电流互感器,输电电流是100 A |
如图甲所示,理想变压器原、副线圈的匝数比nl∶n2=4∶1,原线圈接图乙所示的正弦交流电,副线圈与理想电压表、理想电流表、热敏电阻RT(阻值随温度的升高而减小)及报警器P组成闭合电路,回路中电流增加到一定值时报警器P将发出警报声.则以下判断正确的是![]()
| A.变压器副线圈中交流电压的瞬时表达式u= |
| B.电压表示数为9V |
| C.RT处温度升高到一定值时,报警器P将会发出警报声 |
| D.RT处温度升高时,变压器的输入功率变小 |
如图所示,理想变压器原、副线圈的匝数比为10:1,b是原线圈的中心抽头,电压表和电流表均为理想电表,从某时刻开始在原线圈c、d两端加上交变电压,其瞬时值表达式为
,则![]()
| A.当单刀双掷开关与a连接时,电压表的示数为22V |
| B.当t=1/600s时,c、d间的电压瞬时值为110V |
| C.开关与a连接,在滑片P触头向上移动的过程中,电压表和电流表的示数均变小 |
| D.当单刀双掷开关由a扳向b时,电压表和电流表的示数均变大 |
如图为通过理想变压器将高压电降压后供居民使用示意图,其中R0 表示导线总电阻,如果用户数增加,下列说法正确的是![]()
| A.电压表V1示数增大 |
| B.电压表V2示数不变 |
| C.电阻R0损耗功率增大 |
| D.变压器输入功率不变 |
.如图所示为一理想变压器,原、副线圈的匝数比为n,原线圈接电压为u=U0sinωt的正弦交流电, 输出端接有一个交流电流表和一个电动机,电动机的线圈电阻为R.当输入端接通电源后,电动机带动一质量为m的重物匀速上升,此时电流表的
示数为I,重力加速度为g,下列说法正确的是( )
| A.电动机两端电压为IR |
| B.原线圈中的电流为nI |
| C.电动机消耗的电功率为 |
| D.重物匀速上升的速度为 |