如图是一个理想变压器的示意图,S为单刀双掷并关,P是滑动变阻器的滑动触头,U1为加在原线圈两端的交变电压,I1为原线圈中的电流。下列说法正确的( )![]()
| A.若P的位置及U1不变,S由a合到b处,则I1将减小 |
| B.若P的位置及U1不变,S由b合到a处,则I1将减小 |
| C.若U1不变,S置于b处,将P向上滑动,则I1将减小 |
| D.若P的位置不变,S置于a处,将U1增大,则I1减小 |
如图所示电路中的变压器为理想变压器,S为单刀双掷开关.P是滑动变阻器R的滑动触头,U1为加在原线圈两端的交变电压,I1、I2分别为原线圈和副线圈中的电流.下列说法正确的是( )![]()
| A.保持P的位置及U1不变,S由b切换到a,则R上消耗的功率减小 |
| B.保持P的位置及U1不变,S由a切换到b,则I2减小 |
| C.保持P的位置及U1不变,S由b切换到a,则I1增大 |
| D.保持U1不变,S接在b端,将P向上滑动,则 I1减小 |
某小型水电站的电能输送示意图如图所示,发电机通过升压变压器T1和降压变压器T2向用户供电。已知输电线的总电阻为R,降压变压器T2的原、副线圈匝数之比为4∶1,降压变压器副线圈两端交变电压u=220
sin100πt V,降压变压器的副线圈与阻值R0=11Ω的电阻组成闭合电路。若将变压器视为理想变压器,则下列说法中正确的是( )
| A.通过R0电流的有效值是20A |
| B.降压变压器T2原、副线圈的电压比为4:1 |
| C.升压变压器T1的输出电压等于降压变压器T2的输入电压 |
| D.升压变压器T1的输出功率大于降压变压器T2的输入功率 |
如图所示,M是一小型理想变压器,a、b接在正弦交流电源上。变压器右侧部分为一火警报警系统原理图,其中R1、R3为定值电阻,R2为用半导体热敏材料制成的传感器。若R2处出现火警,则![]()
| A.A1的示数变大, |
| B.A2的示数变小 |
| C.V1的示数变小 |
| D.V2的示数变小 |
为了减少输电线路中电力损失,发电厂发出的电通常是经过升压变电站升压后通过远距离输送,再经过降压变电站将高压变为低压.某降压变电站将电压U0=11000sin100πt(V)的交流电降为220 V供居民小区用电,则降压变电站变压器( )
| A.原、副线圈匝数比为50∶1 |
| B.副线圈中电流的频率是50 Hz |
| C.副线圈中电流的频率是1 Hz |
| D.输入原线圈的电流等于居民小区各用电器电流的总和 |
如图所示电路中的变压器为理想变压器,S为单刀双掷开关.P是滑动变阻器R的滑动触头,U1为加在原线圈两端的交变电压,I1、I2分别为原线圈和副线圈中的电流.下列说法正确的是( )![]()
| A.保持P的位置及U1不变,S由b切换到a,则R上消耗的功率减小 |
| B.保持P的位置及U1不变,S由a切换到b,则I2减小 |
| C.保持P的位置及U1不变,S由b切换到a,则I1增大 |
| D.保持U1不变,S接在b端,将P向上滑动,则 I1减小 |
如图所示,理想变压器的原副线圈匝数比n1:n2=1:10,副线圈与阻值R=20Ω的电阻相连.原线圈两端所加的电压则 ![]()
![]()
| A.交流电压表的示数为 |
| B.副线圈输出交流电的频率为10Hz |
| C.电阻R上消耗的电功率为2kW |
| D.原线圈中电流的最大值为100A |
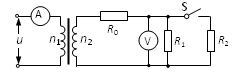
如图所示,理想变压器原线圈的匝数n1=1100匝,副线圈的匝数n2=110匝,R0、R1、R2均为定值电阻,原线圈接u=311sin(314t) (V)的交流电源。起初开关S处于断开状态。下列说法中正确的是![]()
| A.电压表示数为22V |
| B.当开关S闭合后,电压表示数变小 |
| C.当开关S闭合后,电流表示数变大 |
| D.当开关S闭合后,变压器的输出功率增大 |
如图所示,理想变压器的副线圈上通过输电线接有三个灯炮L1、L2和L3,输电线的等效电阻为R,原线圈接有一个理想的电流表,开始时,开关S接通,当S断开时,以下说法中正确的是![]()
| A.原线圈两端P、Q间的输入电压减小 |
| B.等效电阻R上消耗的功率变大 |
| C.原线圈中电流表示数增大 |
| D.灯炮L1和L2变亮 |