如图所示,M是一小型理想变压器,接线柱a、b接在电压u=311sin314t(V)的正弦交流电源上,变压器右侧部分为一火警报警系统原理图,其中R2为用半导体热敏材料制成的传感器,电流表A2为值班室的显示器,显示通过R1的电流;电压表V2显示加在报警器上的电压(报警器未画出),R3为一定值电阻.当传感器R2所在处出现火警时,以下说法中正确的是 ![]()
| A.A1的示数不变,A2的示数增大 |
| B.A1的示数增大,A2的示数增大 |
| C.V1的示数增大,V2的示数增大 |
| D.V1的示数不变,V2的示数减小 |
如图所示为含有理想变压器的电路,图中的三个灯泡L1、L2、L3都标有“5V、5W”字样.L4标有“5V、10W”字样,若它们都能正常发光,不考虑导线的能耗,则该电路的输入功率Pab和输入电压Uab应为( )![]()
| A.20W,25V | B.20W,20V |
| C.25W,25V | D.25W,20V |
远距离输电装置如图所示,升压变压器和降压变压器均是理想变压器。当K由2改接为1时,下列说法正确的是( )![]()
| A.电压表读数变大 |
| B.电流表读数变大 |
| C.电流表读数变小 |
| D.输电线损失的功率减小 |
如图所示的整个装置放在竖直平面内,欲使带负电的油滴P在两平行金属板间静止,导体棒ab将沿导轨运动的情况是![]()
| A.向右匀减速运动 | B.向右匀速运动 |
| C.向左匀减速运动 | D.向左匀速运动 |
如图甲所示,理想变压器的原线圈电路中装有0.5A的保险丝L,原线圈匝数n1=600匝,副线圈匝数n2=120匝。当原线圈接在如图乙所示的交流电源上,要使整个电路和用电器正常工作,则副线圈两端可以接 ( )![]()
| A.阻值为12Ω的电阻 | B.并联两盏的“36V 40W”灯泡 |
| C.工作频率为10Hz的用电设备 | D.耐压值为36V的电容器 |
如图所示,一只理想变压器的原、副线圈的匝数是10:1, 原线圈接入电压为220V的正弦交流电源,一只理想二极管和一个阻值为10Ω的电阻R串联接在副线圈上,以下说法正确的是( )![]()
| A.电压表的读数为22V |
| B.二极管丙端的最大电压为22V |
| C.若将R换成一个阻值大于10Ω的电阻,则电流表的读数变小 |
| D.1min内电阻R上产生的热量为1452J |
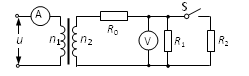
如图所示,理想变压器原线圈的匝数n1=1100匝,副线圈的匝数n2=110匝,R0、R1、R2均为定值电阻,原线圈接u=311sin(314t) (V)的交流电源。起初开关S处于断开状态。下列说法中正确的是![]()
| A.电压表示数为22V |
| B.当开关S闭合后,电压表示数变小 |
| C.当开关S闭合后,电流表示数变大 |
| D.当开关S闭合后,变压器的输出功率增大 |
右图为一理想变压器,其原副线圈匝数比n1:n 2=1:10,副线圈与阻值R=20Ω的电阻相连。原线圈两端所加的电压u=20
sin100πt(V),则( )![]()
| A.交流电压表的示数为20 |
| B.副线圈输出交流电的频率为50Hz |
| C.电阻R上消耗的电功率为2kW |
| D.原线圈中电流的最大值为100A |
有一负载电阻R,当它接IIV直流电压时,消耗的电功率为P;现有一台理想变压器,它的输入电压
,若把上述负载接到此变压器副线圈的两端,消耗的电功率为4P,则变压器原、副线圈的匝数比为
| A. | B.20:1 | C.10:1 | D.4:1 |
一台理想变压器原、副线圈匝数比为
,当原线圈两端输入
的交变电压时,下列说法正确的是
| A.副线圈两端电压为 |
| B.副线圈接一 |
| C.变压器铁芯中磁通量变化率的最大值是 |
| D.副线圈接一 |