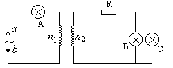
如图所示,有一理想变压器,原副线圏的匝数比为n,原线圈接正弦交流电,电压为U,输出端接有理想电压表、理想电流表和一个电动机,电动机线圈的电阻为R。当输入端接通电源后,电流表的读数为I,电动机带动一重物匀速上升.下列判断正确的是![]()
| A.原线圈中的电流为nI |
| B.电压表的读数为IR |
| C.电动机的输人功率为I2R |
| D.变压器的输人功率为UI/n |
如图所示,一理想变压器原线圈接入一交流电源,副线圈电路中R1、R2为定值电阻,滑动触头P可在R上滑动.V1、V2为理想电压表,读数分别为U1、U2;A1、A2两理想电流表的读数分别为I1、I2.当滑动触头P向下滑动且U1示数一直不变时,则下列推断中正确的是( )![]()
| A.U2变大,I2变大 |
| B.U2变小,I2变小 |
| C.I1变小,R1两端电压变小 |
| D.I1变大,R1两端电压变小 |
一台理想变压器的原、副线圈的匝数比是5︰l,原线圈接入电压为220V的正弦交流电,一只理想二极管和一个滑动变阻器R串联接在副线圈上,如图所示.电压表和电流表均为理想交流电表,则下列说法正确的是 ( )![]()
| A.原、副线圈电流之比为1︰5 |
| B.电压表的读数小于44V |
| C.若滑动变阻器接入电路的阻值为20 |
| D.若将滑动变阻器滑片向上滑动,两电表读数均减小 |
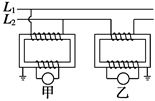
如图所示,L1和L2是输电线,甲是电压互感器,乙是电流互感器.若已知变压比为1 000:1,变流比为100:1,并且知道电压表示数为220V,电流表示数为10A,则输电线的输送功率为 ( )![]()
| A.2.2X103 W | B.2.2X10-2W |
| C.2.2X108 W | D.2.2X104W |
如下图甲所示,理想变压器原、副线圈的匝数比为4:1,电压表和电流表均为理想电表,原线圈接如图乙所示的正弦交流电,图中R1为热敏电阻(温度升高电阻减小),R为定值电阻。下列说法正确的是:![]()
| A.副线圈两端电压的瞬时值表达式为 |
| B.t=0.02s时电压表V2的示数为12V |
| C.变压器原、副线圈中的电流之比和输入、输出功率之比均为1:4 |
| D.R1处温度升高时,电流表的示数变大,电压表V2的示数不变 |
如图所示,L1、L2是高压输电线,图中两电表示数分别是220V和10A,已知甲图中原、副线圈匝数比为100:1,乙图中原副线圈匝数比为1:10,则![]()
| A.甲图中的电表是电压表,输电电压为2200 V |
| B.甲图是电流互感器.输电电流是100 A |
| C.乙图中的电表是电压表,输电电压为22000 V |
| D.乙图是电流互感器,输电电流是100 A |
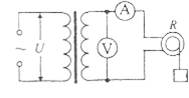
如右图所示,理想变压器输入端接在电动势为ε,内阻为r的交流电压上,输出端接负载R,如果要求负载R上消耗的电功率最大,则 ( )![]()
| A.变压器原副线圈的匝数比为 |
| B.变压器原副线圈的匝数比为 |
| C.负载R上消耗的电功率最大值是 |
| D.负载R上消耗的电功率最大值是 |
如右图所示,L1和L2是输电线,用电压互感器和电流互感器测输电功率。若已知甲的两线圈匝数比为50∶1,乙的两线圈匝数比为20∶l,并且已知加在电压表两端的电压为220V,通过电流表的电流为5A,则输电线的输送功率为 ( )![]()
| A.甲是电压互感器,乙是电流互感器 |
| B.乙是电压互感器,甲是电流互感器 |
| C.1.21×107W |
| D.1.1×106W |