如右图甲所示,在闭合的铁芯上绕着两个线圈,两个线圈的匝数比n1∶n2=1∶3。a、b两端加上如右图乙所示的交流电;c、d两端接一个可变电阻R。下列说法正确的是 ( )![]()
| A.c、d两端电压的有效值是933V |
| B.通过电阻R的电流频率是150Hz |
| C.减小电阻R的阻值,a、b两端的输入电流将变小 |
| D.减小电阻R的阻值,a、b两端的输入功率将增大 |
如图所示,理想变压器原、副线圈匝数比为n1∶n2∶n3=3∶2∶1,副线圈Ⅱ上接有“8 V,8 W”的灯泡L1、L2,副线圈Ⅲ上接有“6 V,9 W”的灯泡L3、L4,当a、b两端接交变电源后,L1、L2正常发光(设所有灯泡的电阻不变),则交变电源的输出功率为
| A.24 W |
| B.34 W |
| C.36 W |
| D.72 W |
如图为理想变压器原线圈所接交流电压的波形。原、副线圈匝数的比n1∶n2=10∶1,串联在原线圈电路中电流表的示数为1A,下列说法错误的是( )![]()
| A.变压器输出端所接电压表的示数为20V |
| B.变压器的输出功率为200W |
| C.变压器输出端的交流电的频率为50Hz |
| D.串在变压器输出端的电流表示数为20A |
如图为理想变压器原线圈所接交流电压的波形。原、副线圈匝数的比n1∶n2=10∶1,串联在原线圈电路中电流表的示数为1A,下列说法错误的是( )
| A.变压器输出端所接电压表的示数为20V |
| B.变压器的输出功率为200W |
| C.变压器输出端的交流电的频率为50Hz |
| D.串在变压器输出端的电流表示数为20A |
如图所示,两种情况下变压器灯泡L2、L3的功率均 为P,且L1、L2、L3为相同的灯泡,匝数比为n1∶n2=3∶1,则图(a)中L1的功率和图(b)中L1的功率分别为![]()
| A.P、P | B.9P、4P/9 | C.4P/9、9P | D.4P/9、9P |
2011年入夏以来,中国南方贵州、云南、重庆等省市部分地区出现持续高温、少雨天气,引起不同程度旱情,导致大面积农作物受灾,造成群众饮水短缺等基本生活困难。目前旱情仍在持续中,电力部门全力确保灾区的用电供应。如下图所示,发电厂的输出电压和输电线的电阻、变压器均不变,如果发电厂欲增大输出功率,则下列说法正确的是 ( )![]()
| A.升压变压器的输出电压增大 |
| B.降压变压器的输出电压增大 |
| C.输电线上损耗的功率增大 |
| D.输电线上损耗的功率占总功率的比例减少 |
如图所示,两种情况下变压器灯泡L2、L3的功率均 为P,且L1、L2、L3为相同的灯泡,匝数比为n1∶n2=3∶1,则图(a)中L1的功率和图(b)中L1的功率分别为![]()
| A.P、P | B.9P、4P/9 | C.4P/9、9P | D.4P/9、9P |
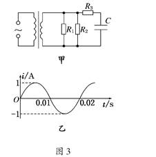
如图甲所示,理想变压器原、副线圈的匝数比为10∶1,R1=20 Ω,R2=30 Ω,C为电容器,已知通过R1的正弦式电流如图乙所示,则 ( )![]()
| A.交变电流的频率为0.02 Hz |
| B.原线圈输入电压的最大值为200 V |
| C.电阻R2的电功率约为6.67 W |
| D.通过R3的电流始终为零 |
如图所示,电路中有四个完全相同的灯泡,额定电压均为U,额定功率均为P,变压器为理想变压器,现在四个灯泡都正常发光,则变压器的匝数比n1∶n2和电源电压U1分别为 ( )![]()
| A.1∶2 2U | B.1∶2 4U |
| C.2∶1 4U | D.2∶1 2U |