利用如图所示的电流互感器可以测量被测电路中的大电流,若互感器原、副线圈的匝数比n1∶n2=1∶100,交流电流表A的示数是50 mA,则 ( )
| A.被测电路的电流的有效值为5 A |
| B.被测电路的电流的平均值为0.5 A |
| C.被测电路的电流的最大值为5 A |
| D.原、副线圈中的电流同时达到最大值 |
如图甲所示,理想变压器原、副线圈的匝数比为10∶1,R1=20 Ω,R2=30 Ω,C为电容器,已知通过R1的正弦式电流如图乙所示,则 ( )![]()
| A.交变电流的频率为0.02 Hz |
| B.原线圈输入电压的最大值为200 V |
| C.电阻R2的电功率约为6.67 W |
| D.通过R3的电流始终为零 |
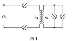
如图所示,电路中有四个完全相同的灯泡,额定电压均为U,额定功率均为P,变压器为理想变压器,现在四个灯泡都正常发光,则变压器的匝数比n1∶n2和电源电压U1分别为 ( )![]()
| A.1∶2 2U | B.1∶2 4U |
| C.2∶1 4U | D.2∶1 2U |
如图为一台理想变压器,初、次级线圈的匝数分别为n1=400匝,n2=800匝,连接导线的电阻忽略不计,那么可以确定 ( ) ![]()
| A.这是一台降压变压器 |
| B.次级线圈两端的电压是初级线圈两端电压的2倍 |
| C.通过次级线圈的电流是通过初级线圈电流的2倍 |
| D.变压器输出的电功率是输入的电功率的一半 |
一理想变压器原、副线圈匝数比n1∶n2=11∶5,原线圈与正弦交变电源连接,输入电压u随时间t的变化规律如图所示,副线圈仅接入一个10 Ω的电阻. 则( )![]()
| A.流过电阻的最大电流是20 A |
| B.与电阻并联的电压表的示数是141 V |
| C.变压器的输入功率是1×103 W |
| D.在交变电流变化的一个周期内,电阻产生的焦耳热是2×103 J |
如图所示,在铁芯上、下分别绕有匝数n1=800和n2=200的两个线圈,上线圈两端与u=51sin314tV的交流电源相连,将下线圈两端接交流电压表,则交流电压表的读数可能是![]()
| A.2.0V | B.9.0V | C.12.7V | D.144.0V |
.图甲中理想变压器原、副线圈的匝数之比n1∶n2=5∶1,电阻R=20Ω,L1、L2为规格相同的两只小灯泡,S1为单刀双掷开关。原线圈接正弦交变电源,输入电压u随时间t的变化关系如图乙所示。现将S1接1、S2闭合,此时L2正常发光。下列说法正确的是![]()
| A.输入电压u的表达式u=20 |
| B.只断开S2后,L1、L2均正常发光 |
| C.只断开S2后,原线圈的输入功率增大 |
| D.若S1换接到2后,R消耗的电功率为0.8W |
有一台理想变压器,原副线圈的匝数之比为n1:n2=2∶1,原线圈上交流电源的电压为U=220
sin100πtV,Q为保险丝,其额定电流为1A,R为负载电阻,如图所示,变压器正常工作时R的阻值![]()
| A.不能低于55Ω | B.不能高于55Ω |
| C.不能低于77Ω | D.不能高于77Ω[来源: |