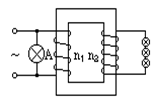
如图4所示M为理想变压器.电源电压不变。当变阻器的滑动头P向上移动时,读数发生变化的电表是![]()
| A.电流表A1 | B.电流表A2 |
| C.电压表V1 | D.电压表V2 |
理想变压器正常工作时,原线圈一侧与副线圈一侧保持不变的物理量是
| A.电流 | B.电压 |
| C.线圈匝数 | D.电功率 |
一个探究性学习小组利用示波器,绘制出了一个
原、副线圈匝数比为2∶1的理想变压器,副线圈两
端输出电压u随时间t变化的图象如图所示
(图线为正弦曲线)。![]()
则下列说法错误的是
| A.该变压器原线圈输入电压的瞬时值表达式为u=20sin(100 |
| B.接在副线圈两端的交流电压表的示数为7.1V |
| C.该变压器原线圈输入频率为50 Hz |
| D.接在副线圈两端阻值为20 Ω的白炽灯,消耗的功率为2.5W |
如图为理想变压器原线圈所接交流电压的波形图。原、副线圈匝数比
,串联在原线圈电路中电流表的示数为1A,下列说法正确的是![]()
| A.变压器输出端所接电压表的示数为 |
| B.变压器的输出功率为200W |
| C.变压器输出端的交流电的频率为50Hz |
| D.穿过变压器铁芯的磁通量变化率的最大值为 |
如图所示,理想变压器原、副线圈的匝数比n1:n2=1:3,次级回路中联入三个均标有“36V,40W”的灯泡, 且均正常发光,那么, 标有“36V、40W”的灯泡A( )
| A.正常发光 | B.将被烧毁 |
| C.比另三个灯暗 | D.无法确定 |
如图所示,理想变压器的输入端接正弦交流电,副线圈上通过输电线接有两个相同的灯泡L1和L2,输电线的等效电阻为R1。当滑动变阻器R2的滑片P向下滑动时,以下说法中正确的是
| A.副线圈的两端M、N的输出电压减小 |
| B.副线圈输电线等效电阻R1上的电压增大 |
| C.副线圈消耗的总功率减小 |
| D.原线圈中输入功率增大 |
如图,有一理想变压器,原付线圈砸数比为n。原线圈接正弦交流电,电压为U,输出端接有一个交流电流表和一个电动机。电动机线圈电阻为R,当输入端接通电源后,电流表读数为I,电动机带动一重物匀速上升,下列判断正确的是( )![]()
| A.电动机两端电压为IR | B.电动机消耗的功率为I2R |
| C.原线圈中的电流为nI | D.变压器的输入功率为 |
如图变压器原线圈接交流高压,降压后通过输电线给用电器供电,当S断开时图中两电表示数电压U和电流I以及变压器输出功率P的变化为( )![]()
| A.均变大 | B.U变大,I变小,P变小 |
| C.均变小 | D.U变小,I变大,P变大 |
理想变压器原线圈1400匝,副线圈700匝并接有电阻
。当变压器工作时原、副线圈中:
| A.电流的频率之比2:1 | B.功率之比2:1 | C.电流之比2:1 | D.电压之比2:1 |