为了探究理想变压器原、副线圈电压、电流的关系,将原线圈接到电压有效值不变的正弦交流电源上,副线圈连接电阻
和
。电路中分别接了理想交流电压表
、
和理想交流电流表
、
,导线电阻不计,如图所示,当开关
闭合后:![]()
| A. | B. |
| C. | D. |
有一个理想变压器,原线圈1200匝,副线圈400匝,现在副线圈上接一个变阻器R,如图所示,则下列说法中正确的是 ( ) ![]()
| A.安培表A1与A2的示数之比为3:1 |
| B.伏特表V1与 V2的示数之比为3:1 |
| C.当变阻器滑动头向下移动时,原线圈的输入功率将增加 |
| D.当变阻器滑动头向上移动时,A1减小V2不变 |
如图所示,甲图是接有灯泡L的和交流电表的理想变压器,乙图是输出电压U2的图象,已知变压器原、副线圈的匝数比为10/1 ,电流表的示数为2.0A,则:![]()
| A.电压表V1的示数为220V |
| B.电压表V2的示数为20V |
| C.灯泡实际消耗功率为40W |
| D.变压器原线圈电流的最大值为0.2A |
右图是远距离输电的示意图,下列说法正确的是![]()
| A.a是升压变压器,b是降压变压器 |
| B.a是降压变压器,b是升压变压器 |
| C.a的输出电压大于b的输入电压 |
| D.a的输出电压等于输电线上损失的电压 |
如图所示,为一自耦变压器的电路图,其特点是铁芯上只绕有一个线圈。把整个线圈作为原线圈,而取线圈的一部分作为副线圈线圈接在电压恒为
的正弦交流电源上,电流表Al、A2均为理想电表。当触头
向上移动时,下列说法正确的是( )![]()
| A.Al读数变大 | B.A2读数变小 |
| C.变压器的输入功率变大 | D.变压器的输入功率不变 |
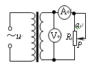
如图所示,理想变压器原、副线圈的匝数比为11:2,原线圈两端的输入电压
,电表均为理想电表,滑动变阻器R接入电路部分的阻值为10Ω。下列叙述中正确的是![]()
| A.该交流电的频率为100Hz |
| B.电流表的读数为4A |
| C.电压表的读数为 |
| D.若滑动变阻器的滑动触头P向a端移动,电流表的读数变大 |
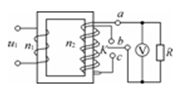
某同学自制变压器,在做副线圈时,将外表涂有绝缘层的导线对折后并在一起在铁芯绕n2圈,导线的两个端头为a、b,从导线对折的中点引出了一个c接头,连线成如图所示的电路(线圈电阻不计).已知原线圈匝数为n1,原线圈的输入电压为u1=U0sint,则下列结论正确的是( )![]()
| A.K打到b时,V表读数为 |
| B.K打到b时,R中电流为零 |
| C.K打到c时,V表读数为 |
| D.K打到c时,R的电功率为 |
某小型水电站的电能输送示意图如下,发电机的输出电压为220V,输电线总电阻为r,升压变压器原副线圈匝数分别为n1、n2,降压变压器原副线匝数分别为n3、n4(变压器均为理想变压器).要使额定电压为220V的用电器正常工作,则![]()
| A. |
| B. |
| C.升压变压器的输出电压等于降压变压器的输入电压 |
| D.升压变压器的输出功率大于降压变压器的输入功率 |
如图,有一理想变压器,原副线圈的匝数比为n。原线圈接正弦交流电压为u=U0sin100πt(V),输出端接有一个交流电流表和一个电动机。电动机线圈电阻为R。当输入端接通电源后,电流表读数为I,电动机带动一重物以速度V匀速上升.下列判断正确的是![]()
| A.电动机两端电压为IR,其消耗的电功率为I2R |
| B.原线圈中的电流为nI,通过副线圈电流的频率为50Hz |
| C.变压器的输入功率为I2R |
| D.电动机的热功率为I2R |