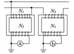
为了监测变电站向外输电情况,要在变电站安装互感器,其接线如图所示,两变压器匝数分别为N1、N2和N3、N4,a和b是交流电表,则以下说法正确的是 ( )![]()
| A.N1﹤N2 |
| B.N3>N4 |
| C.a为交流电流表,b为交流电压表 |
| D.a为交流电压表,b为交流电流表 |
如图所示,理想变压器的原线圈接在一正弦交变电流源上,副线圈通过输电线接两个相同的灯泡L1和L2,输电线的等效电阻为R。开始时,开关K断开,当K接通时,以下说法正确的是 ()![]()
| A.副线圈两端的输出电压减小 | B.通过灯泡L1的电流减小 |
| C.原线圈中的电流增大 | D.变压器的输入功率增大 |
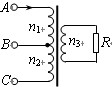
一只理想变压器的原线圈接在如图所示的交流电源上,原副线圈的匝数之比为n1:n2=10:1,串联在原线圈中的电流表的示数为1A,则以下说法中正确的是![]()
| A.变压器输出功率为220W |
| B.若n1=100匝,则副线圈中的磁通量变化率的最大值为22 |
| C.副线圈两端的电压表示数为22V |
| D.变压器的输出功率是由输入功率决定的 |
如图所示,一只理想变压器,原线圈中有一个抽头B,使
,副线圈中接有定值电阻R。当原线圈从AC端输入电压为U的正弦交流电压时,原线圈中电流为I,电阻R上消耗的功率为P。当原线圈从AB端输入电压为U的正弦交流电压时,原线中电流为
,电阻R上消耗的功率为
。那么
与I的比值,P′与P的比值是![]()
| A.4∶1,4∶1 | B.1∶4,1∶4 |
| C.2∶1,2∶1 | D.1∶2,1∶4 |
如图5甲所示,理想变压器原、副线圈的匝数比为10:1,b是原线圈的中心抽头,图中电表均为理想的交流电表,定值电阻R=10Ω,其余电阻均不计.从某时刻开始在原线圈c、d两端加上如图乙所示的交变电压。则下列说法中正确的是![]()
| A.当单刀双掷开关与a连接时,电压表的示数为31.1V |
| B.当单刀双掷开关与b连接且在0.01s时,电流表示数为零 |
| C.当单刀双掷开关由a拨向b时,原线圈的输入功率变大 |
| D.当单刀双掷开关由a拨向b时,副线圈输出电压的频率变为25Hz |
如图所示,有一理想变压器,原线圈匝数为n1,两个副线圈的匝数分别为n2和n3,原副线圈的电压分别为U1、U2、U3,电流分别为I1、I2、I3,两个副线圈负载电阻的阻值未知,下列结论中,不正确的是:![]()
| A.U1:U2=n1:n2,U2:U3=n2:n3; | B.I1/I3=n3/n1,I1/I2=n2/n1; |
| C.n1I1=n2I2+n3I3; | D.I1U1=I2U2+I3U3。 |
如图所示,一理想变压器原线圈接
入一交流电源,副线圈电路中R1、R2、R3和R4均为定值电阻,开关S是闭合的.V1和V2为理想电压表,读数分别为U1和U2;A1、A2和A3为理想电流表,读数分别为I1、I2和I3.现断开S,U1数值不变,则下列推断中正确的是![]()
| A.U2不变,I3变小 | B.U2不变,I3变大 |
| C.I1变小,I2变大 | D.I1变大,I2变小 |