如图甲所示,变压器原副线圈的匝数比为3:1,L1、L2、L3、L4为四只规格均为“9V,6W”的相同灯泡,各电表均为理想交流电表,输入交变电压u-t图象如图乙所示.则以下说法中正确的是
| A.电压表的示数为36V | B.电流表的示数为2A |
| C.四只灯泡均能正常发光 | D.变压器副线圈两端交变电流的频率为50Hz |
甲 乙
将输入电压为220v,输出电压为6v的变压器,改装成输出电压为30v的变压器,副线圈原来的匝数为30匝,原线圈的匝数不变,则副线圈应增加的匝数为
| A.150匝 | B.144匝 | C.130 | D.120匝 |
如图是变压器通过降压给用户供电的示意图,变压器输入电压是市电网的电压,不会有很大的波动,可以认为输入电压是不变的,输出电压通过输电线输送给用户,输电线的电阻用R0表示,变阻器R表示用户用电器的总电阻,当滑动变阻器触头P向下移时![]()
| A.相当于在减少用电器的数目 |
| B.变压器的输入功率在增大 |
| C.V1表的示数不变,V2表的示数增大 |
| D.A2表的示数增大,Al表的示数减小 |
如图所示,理想变压器原、副线圈的匝数比为10∶1,电压表和电流表均为理想电表,R为副线圈的负载电阻.现在原线圈a、b两端加上交变电压u,其随时间变化的规律u=220sin 100πt V,则![]()
| A.副线圈中产生的交变电流频率为50 Hz |
| B.电压表的示数22 V |
| C.若电流表示数为0.1 A,则原线圈中的电流为1 A |
| D.若电流表示数为0.1 A,则1 min内电阻R上产生的焦耳热为132 J |
如图,理想变压器原、副线圈的匝数比是10:1,原线圈输入交变电压u=120
sin100πtV,O为副线圈中心抽出的线头,电路中两个电阻R1=1Ω,R2=2Ω。下列关于电路的分析正确的是![]()
| A.开关S断开时,电流表示数为0.4A |
| B.开关S断开时,两电阻总的电功率为96W |
| C.开关S闭合时,电流表示数为0.45 |
| D.开关S闭合时,两电阻总的电功率为54W |
有理想变压器给负载供电,变压器输入电压不变,如图所示,如果负载电阻的滑动触头向上移动,则图中所有交流电表的读数及输入功率变化情况正确的是( )![]()
| A.V1、V2不变,A1增大,A2减小,P增大 |
| B.V1、V2不变,A1、A2增大,P增大 |
| C.V1、V2不变,A1、A2减小,P减小 |
| D.V1不变,V2增大,A1减小,A2增大,P减小 |
如图所示,L1
和L2是输电线,甲是电压互感器,乙是电流互感器.若已知变压比为1 000:1,变流比为100:1,并且知道电压表示数为220V,电流表示数为10A,则输电线的输送功率为( )![]()
| A.2.2X103 W | B.2.2X10-2W | C.2.2X108 W | D.2.2X104W |
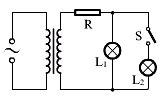
如图所示,理想变压器原线圈接在电压恒定不变的交变电源上,副线圈接有两个灯泡L1 、L2
和一个电阻R 。开始时,开关S是断开的。现将S闭合,则( )![]()
| A.副线圈两端的输出电压减小 | B.L1变暗 |
| C.原线圈的输入电流增大 | D.交变电源的输出功率将增大 |