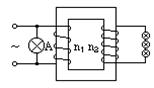
对于理想变压器来说,下列说法中不正确的是( )
| A.变压器是利用互感现象制成的 |
| B.变压器可以改变各种电源的额定功率 |
| C.变压器不仅能改变电压,还同时改变电流 |
| D. |
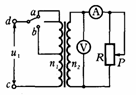
如图所示,理想变压器原、副线圈的匝数比为10:1,b是原线圈的中心接头,电压表V和电流表A均为理想电表,除滑动变阻器电阻R以外其余电阻均不计,从某时刻开始在原线圈c、d两端加上交变电压,其瞬时值表达式为
(V)。下列说法中正确的是![]()
| A.当单刀双掷开关与a连接时,电压表的示数为22 V |
| B. |
| C.单刀双掷开关与a连接,滑动变阻器触头P向上移动的过程中,电压表和电流表的示数均变小 |
| D.当单刀双掷开关由a扳向b时,电压表和电流表的示数均变大 |
如图所示,接在理想变压器中的三个规格相同的灯泡都正常发光,灯泡的额定电压为U0,那么![]()
| A.原线圈接在直流电源上,U= U0 |
| B.原线圈接在交流电源上,U=3U0 |
| C.理想变压器的匝数比n1:n2=1:2 |
| D.理想变压器的匝数比n1:n2="1:1" |
如图所示,理想变压器的副线圈上通过输电线接有三只灯泡L1、L2、L3,输电线的等效电阻为R,原线圈上串接有一个理想电流表,开始时开关S接通,当S断开后,以下说法正确的是( )![]()
| A.电流表示数变大 | B.灯泡L1和L2变亮 |
| C.副线圈两端c、d间的输出电压增大 | D.等效电阻R上的功率变大 |
如图所示电路,变压器为理想变压器。现将滑动变阻器的滑片从某一位置滑动到另一位置时,电流表A1的示数减小0.1A,电流表A2的示数减小1A,则下列说法正确的是
| A.灯泡L1变亮 | B.灯泡L1变暗 | C.变压器为升压变压器 | D.变压器为降压变压器 |
一台理想变压器,原、副线圈的匝数比n1∶n2=4∶1。原线圈接入220V交流电压,副线圈的电压为( )
| A.22V | B.55V | C.880V | D.以上都不对 |
如图所示,理想变压器原、副线圈的匝数比不变,副线圈上接有电阻不为零的负载,在原线圈上输入不变的电压U1,以下不正确的是![]()
| A.U1∶U2=N1∶N2 | B.I1∶I2=N2∶N1 |
| C.当I2减小时,I1增大 | D.当I2减小时,I1减小 |
如图所示,理想变压器原、副线圈的匝数比n1:n2=1:3,次级回路中连入三个均标有“36V,40W”的灯泡, 且均正常发光,那么, 标有“36V、40W”的灯泡A![]()
| A.也正常发光 | B.将被烧毁 | C.比另三个灯暗 | D.无法确定 |
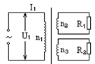
如图所示,理想变压器原线圈匝数为n1,两个副线圈匝数分别为n2和n3,且n1:n2:n3=4:2:1,输入电压U1=16V,R1=R2=10Ω,则输入的电流I1大小是 ( )![]()
| A.0.4A | B.0.1A | C.0.5A | D.以上答案都不对 |
如图所示,理想变压器的副线圈上接有三个灯泡,原线圈与一个灯泡串联接在交流电源上.若四个灯泡完全相同,且都正常发光,则电源两端的电压U1与灯泡两端的电压U2之比为![]()
| A.1∶1 | B.2∶1 | C.3∶1 | D.4∶1 |