某发电厂原来用11kV的交流电压输电,后来改用升压变压器将电压升高到220kV输电,输送的电功率都是P,若输电线路的电阻为R,则下列说法中正确的是( )
| A.根据公式I=P/U,提高电压后输电线上的电流降为原来的1/20 |
| B.根据公式I=U/R,提高电压后输电线上的电流增为原来的20倍 |
| C.根据公式P=I2R,提高电压后输电线上的功率损耗减为原来的1/400 |
| D.根据公式P=U2/R,提高电压后输电线上的功率损耗将增大为原来的400倍 |
用电高峰期,电灯往往会变暗,其原理可简化为如下物理问题.如图所示,理想变压器的副线圈上,通过输电线连接两只相同的灯泡L1和L2,输电线的等效电阻为R,原线圈输入有效值恒定的交流电压,当开关S闭合时,以下说法中正确的是 ( )![]()
| A.原线圈中电流减小 | B.原线圈输入功率减小 |
| C.副线圈输出电压减小 | D.R两端的电压增大 |
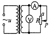
如图所示,理想变压器原、副线圈的匝数比为11 :2,原线圈两端的输入电压u=220
sin100πt(V),电表均为理想电表,滑动变阻器R接入电路部分的阻值为10Ω。
下列叙述中正确的是![]()
| A.该交流电的频率为100 Hz |
| B.电流表的读数为4 A |
| C.电压表的读数为40 |
| D.若滑动变阻器的滑动触头P向a端移动,电流表的读数变大 |
如图所示为两个互感器,在图中圆圈内a、b表示电表,已知电压比为100,电流比为10,电压表的示数为220V,电流表的示数为10A,则( )![]()
| A.a为电流表,b为电压表, |
| B.a为电压表,b为电流表,线路输送电功率是2.2×106W |
| C.a为电流表,b为电压表,线路输送电功率是2.2×106W |
| D.a为电压表,b为电流表,线路输送电功率是2200W |
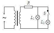
如图6所示为一理想变压器和负载电阻R,下列哪些做法可增加变压器的输入功率( )![]()
| A.只减少副线圈匝数 | B.只减少原线圈匝数 |
| C.只增加副线圈匝数 | D.只减少R的阻值 |
关于理想变压器,下面各说法中正确的是( )
| A.它的输出功率等于它的输入功率 | B.它的输出功率可以大于它的输入功率 |
| C.原副线圈两端的电压与它们的匝数成正比 | D.原副线圈的电流与它们的匝数成正比 |
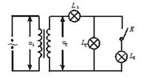
如图所示,变压器的原、副线圈的匝数比一定,原线圈的电压为U1时,副线圈的输出电压为U2,L1、L2、L3为三只完全相同的电灯,开始时,电键K开启,然后当电键K闭合时( )![]()
| A.电压U1不变,U2变大 |
| B.电灯L1变亮,L2变暗 |
| C.电灯L1变暗,L2变亮 |
| D.原线圈中的电流变大 |
如图所示,在AB间接入正弦交流电U1=220V,通过理想变压器和二极管D1、D2给阻值R=20Ω的纯电阻负载供电,已知D1、D2为相同的理想二极管,正向电阻为0,反向电阻无穷大,变压器原线圈n1=110匝,副线圈n2=20匝,Q为副线圈正中央抽头,为保证安全,二极管的反向耐压值至少为U0,设电阻R上消耗的热功率为P,则有 ( )![]()
| A.U0=40 | B.U0=40V,P=80W |
| C.U0=40 | D.U0=40V,P="20" W |