如图所示,匝数为50匝的矩形闭合导线框ABCD处于磁感应强度大小B=
T的水平匀强磁场中,线框面积S=0.5m2,线框电阻不计。线框绕垂直于磁场的轴OO′以角速度ω=100rad/s匀速转动,并与理想变压器原线圈相连,副线圈线接入一只“220V,60W”灯泡,且灯泡正常发光,熔断器允许通过的最大电流为10A,下列说法正确的是 ![]()
| A.在图示位置线框中产生的感应电动势最大 |
| B.线框中产生交变电压的有效值为 |
| C.变压器原、副线圈匝数之比为25︰22 |
| D.允许变压器输出的最大功率为5000W |
如图所示,接于理想变压器的四个灯泡规格相同,且全部正常发光,则这三个线圈的匝数比应为( )![]()
| A.1∶2∶3; | B.2∶3∶1 |
| C.3∶2∶1; | D.2∶1∶3 |
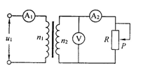
如图所示,理想变压器原、副线圈的匝数比为10:1,电压表和电流表均为理想交流电表,从某时刻开始在原线圈两端加上交变电压,其瞬时值表达式为
,则
( )
| A.电压表的示数为 |
| B.在滑动变阻器触头P向上移动的过程中,电流表A2的示数变小 |
| C.在滑动变阻器触头P向上移动的过程中,电流表A1的示数变大 |
| D.在滑动变阻器触头P向上移动的过程中,理想变压器的输入功率变小 |
如图所示,理想变压器原、副线圈的匝数比为N1: N2=3:1,图中四个灯泡完全相同,当L2、L3、L4正常发光时,则L1( )![]()
| A.一定正常发光 |
| B.实际功率小于额定功率 |
| C.实际功率大于额定功率 |
| D.条件不足无法确定 |
如图8所示,有一理想变压器,原线圈接在电压一定的正弦交流电源上,副线圈电路中接入三个电阻R1、R2、R3,各交流电表的阻值对电路的影响不计,原来开关s是断开的,当开关s闭合时,各电表的示数变化情况是( )![]()
| A.电流流A1示数变大 |
| B.电流表A2 示数变大 |
| C.电压表V1示数变小 |
| D.电压表V2示数变小 |
某小型水电站的电能输送示意图如图所示,发电机通过升压变压器T1和降压变压器T2向用户供电。已知输电线的总电阻为R,降压变压器T2的原、副线圈匝数之比为4∶1,降压变压器副线圈两端交变电压u=220
sin100πt V,降压变压器的副线圈与阻值R0=11Ω的电阻组成闭合电路。若将变压器视为理想变压器,则下列说法中正确的是( )
| A.通过R0电流的有效值是20A |
| B.降压变压器T2原、副线圈的电压之比为4:1 |
| C.升压变压器T1的输出电压等于降压变压器T2的输入电压 |
| D.升压变压器T1的输出功率等于降压变压器T2的输入功率 |
如图所示的电路中,理想变压器的两端共接有4只规格相同的灯泡,在开关S闭合的情况下,4只灯泡的亮度相同,若将开关S断开,灯泡都不会损坏,则( )![]()
| A.灯泡L1比S闭合时暗一些 |
| B.灯泡L1比S闭合时亮一些 |
| C.灯泡L2、L3的亮度不变 |
| D.灯泡L2、L3比S闭合时亮一些 |
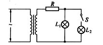
如图所示,理想变压器副线圈通过导线接两个相同的灯泡L1和L2。导线的等效电阻为R。现将原来断开的开关S闭合,若变压器原线圈两端的电压保持不变,则下列说法中正确的是 ( )![]()
![]()
| A.副线圈两端的电压不变 |
| B.通过灯泡L1的电流增大 |
| C.原线圈中的电流减小 |
| D.变压器的输入功率减小 |
用电高峰期,电灯往往会变暗,其原理可简化为如图9所示的模型.即理想变压器原线圈电压稳定,副线圈上通过输电线连接两只相同的灯泡L1和L2,输电线的等效电阻为R,当开关S闭合时( )
| A.通过L1的电流减小 |
| B.R两端的电压增大 |
| C.副线圈输出电压减小 |
| D.副线圈输出功率减小 |
如图所示,当滑动变阻器滑动触头p逐渐向上移动时,接在理想变压器两端的四个理想电表示数 ![]()
| A.V1不变、V2不变、A1变大、A2变大 |
| B.V1不变、V2不变、A1变小、A2变小 |
| C.V1变大、V2变大、A1变小、A2变小 |
| D.V1变小、V2变小、A1变大、A2变大 |