如图所示,两种情况下变压器灯泡L2、L3的功率均为P,且L1、L2、L3为相同的灯泡,匝数比为n1:n2=3:1,则图(a)中L1的功率和图(b)中L1的功率分别为( )![]()
| A.P、P |
| B.9P、 |
| C. |
| D. |
如图所示,理想变压器原、副线圈的匝数比n1:n2=1:3,次级回路中联入三个均标有“36V,40W”的灯泡, 且均正常发光,那么, 标有“36V、40W”的灯泡A ( )![]()
| A.也正常发光 | B.将被烧毁 |
| C.比另三个灯暗 | D.无法确定 |
图1中的变压器为理想变压器,原线圈的匝数n1与副线圈的匝数n2之比为10 : 1。变压器的原线圈接如图2所示的正弦式电流,两个20Ω的定值电阻串联接在副线圈两端。电压表
为理想电表。则
![]()
| A.原线圈上电压的有效值为100V |
| B.原线圈上电压的有效值约为70.7V |
| C.电压表 |
| D.电压表 |
如图所示,理想变压器的原、副线圈匝数比为1:5,原线圈两端的交变电压为
氖泡在两端电压达到100V时开始发光,下列说法中正确的有 ( )![]()
| A.开关接通后,氖泡的发光频率为100Hz |
| B.开关接通后,电压表的 |
| C.开关断开后,电压表的示数变大 |
| D.开关断开后,变压器的输出功率不变 |
如图所示,一理想变压器的原线圈匝数为n1=1000匝,副线圈匝数为n2=200匝,电阻R=8.8Ω,原线圈接入一电压
(V)的交流电源,电压表和电流表对电路的影响可忽略不计,则![]()
| A.副线圈交变电流的频率是100 Hz |
| B.t=1s的时刻,电压表的示数为0 |
| C.变压器的输入电功率为220W |
| D.电流表的示数为10A |
如图所示为理想变压器原线圈所接正弦交流电源两端的u-t图象。原、副线圈匝数比n1 :n2=10 :1,串联在原线圈电路中交流电流表的示数为1 A,则 ( )![]()
| A.变压器原线圈所接交流电压的有效值为220 |
| B.变压器输出端所接电压表的示数为22 |
| C.变压器输出端交变电流的频率为50Hz |
| D.变压器的输出功率为220 |
如图甲所示,理想变压器原、副线圈的匝数比为10∶1,R1=20 Ω,R2=30 Ω,C为电容器,已知通过R1的正弦式电流如图乙所示,则:![]()
| A.交变电流的频率为0.02 Hz |
| B.原线圈输入电压的最大值为200 V |
| C.电阻R2的电功率约为6.67 W |
| D.通过R3的电流始终为零 |
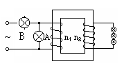
如图所示是“探究变压器两个线圈的电压关系”的实验装置,下列说法正确的是![]()
| A.与灯泡连接的线圈叫原线圈 |
| B.测量变压器输出电压要用直流电压表 |
| C.若只增加副线圈的匝数,变压器的输出电压变大 |
| D.若只增加副线圈的匝数,变压器的输出电压变小 |
如图,一理想变压器原线圈接入一交流电源,副线圈电路中R1、R2、R3和R4均为固定电阻,开关S是闭合的。
和
为理想电压表,读数分别为U1和U2;
、
和
为理想电流表,读数分别为I1、I2和I3。现断开S,U1数值不变,下列推断中正确的是:![]()
| A.U2变小、I3变小 | B.U2变大、I3变大 |
| C.I1变小、I2变小 | D.I1变大、I2变大 |