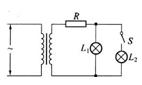
如图所示,理想变压器副线圈通过输电线接两个相同的灯泡L1和L2.输电线的等效电阻为R.开始时,电键S断开,当S闭合时,下列说法中正确的是 ( )![]()
| A.副线圈两端的输出电压减小 |
| B.通过灯泡L1的电流减小 |
| C.原线圈中的电流增大 |
| D.变压器的输入功率增大 |
如图甲所示,理想变压器原、副线圈的匝数比为10︰1,电阻R=22Ω,各电表均为理想电表。原线圈输入电压的变化规律如图乙所示。下列说法正确的是![]()
| A.该输入电压的频率为100Hz | B.电压表的示数为22V |
| C.电流表的示数是1A | D.电阻R消耗的电功率是22W |
如图所示,T为理想变压器,A为理想交流电流表,V为理想交流电压表,当原线圈两端接电压U=200V的正弦交流电,且S断开时,电压表V的示数为12V,电流表A的示数为0.1A,则 ( )![]()
| A.原、副线圈匝数比 |
| B.R1消耗的功率是22W |
| C.当开关S闭合时,R1消耗的功率变大 |
| D.当开关S闭合时,交流电流的输出功率变大 |
如图所示,原、副线圈匝数比为2∶1的理想变压器正常工作时,以下说法不正确的是![]()
| A.原、副线圈磁通量之比为2∶1 |
| B.原、副线圈电流之比为1∶2 |
| C.输入功率和输出功率之比为1∶1 |
| D.原、副线圈磁通量变化率之比为1∶1 |
如图4所示,理想变压器的输入端电压 u ="311" sin100 πt(V) ,原副线圈的匝数之比为:n 1 :n 2=10:1;若图中电流表读数为 2 A ,则
| A.电压表读数为 220 V | B.电压表读数为 22 V |
| C.变压器输出功率为44 W | D.变压 |
如图所示,理想变压器原、副线圈匝数之比为20∶1,原线圈接正弦交流电源,副线圈接入“220 V,60 W”灯泡一只,且灯光正常发光。则![]()
| A.电流表的示数为 |
| B.电源输出功率为1200W |
| C.电流表的示数为 |
| D.原线圈端电压为11 V |
如图所示,左右两个电路中,当a、b两端和e、f两端分别接220V的交变电压时,测得c、d两端和g、h两端的电压均为110V。若分别在c、d两端和g、h两端加上110V交变电压,则a、b两端和e、f两端测得的电压将分别是( )![]()
| A.220V,220V | B.220V,110V |
| C.110V,110V | D.220V, 0V |
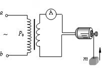
如图所示,理想变压器原、副线圈的匝数比为k,输出端接有一交流电动机,其线圈的电阻为R。将原线圈接在正弦交流电源两端,变压器的输入功率为P0时,电动机恰好能带动质量为m的物体匀速上升,此时理想电流表的示数为I。若不计电动机的机械损耗,重力加速度为g,则下列说法正确的是![]()
| A.电动机的输出功率为 |
| B.原线圈两端电压的有效值为kIR |
| C.原线圈中电流的有效值为 |
| D.副线圈两端电压的有效值为IR |
在某交流电路中,有一正在工作的变压器,原、副线圈的匝数分别为n1="600" 匝、n2=120匝,电源的电压为U=311sin100
t(V),原线圈中串联一个额定电流为0.2 A的保险丝,为保证保险丝不被烧毁,则 ( )
| A.负载功率不能超过44 W | B.副线圈电流的最大值不能超过1 A |
| C.副线圈电流的有效值不能超过1 A | |
| D.无论副线圈电流有多大,保险丝总不会被烧毁 |