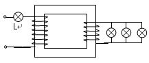
一理想变压器原线圈、副线圈匝数比为3:1,副线圈接三个相同的灯泡,当原线圈直接接在某交流电源上时,三盏灯恰好正常发光。若在原线圈上再串联一个相同的灯泡L,如图所示,设电源电压有效值不变,则( )![]()
| A.灯L比三盏灯都更暗 | B.灯L与三盏灯亮度相同 |
| C.灯L将会被烧坏 | D.无法判断其亮度情况 |
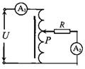
如图所示,n1为理想变压器原线圈,其接入电路的匝数随着滑动接触点P的上下移动而变化,当输入电压U稍有下降时,为了使接在副线圈n2上的电灯电压保持不变,正确的调节方法是( )
K^S*5
| A.使P稍向上滑动 | B.副线圈上改接电阻较大的电灯 |
| C.使P稍向下滑动 | D.副线圈上改接电阻较小的电灯 |
如图所示,为一自耦变压器的电路图,其特点是铁芯上只绕有一个线圈。把整个线圈作为原线圈,而取线圈的一部分作为副线圈。原线圈接在电压恒为
的正弦交流电源上,电流表Al、A2均为理想电表。当触头
向上移动时,下列说法正确的是![]()
| A.Al读数变大 |
| B.A2读数变小 |
| C.变压器的输入功率变大 |
| D.变压器的输入功率不变 |
如图所示,理想变压器的副线圈上通过输电线接有三只灯泡L1、L2和L3,输电线的等效电阻为R,原线圈接有一个理想的电流表,电源电压大小不变.开始时开关S接通,当S断开时,以下说法正确的是( )![]()
| A.原线圈两端P、Q间的输入电压减小 |
| B.等效电阻R上消耗的功率变大 |
| C.原线圈中电流表示数变小 |
| D.灯泡L1和L2变亮 |
某理想变压器的原、副线圈按如图所示电路连接,图中电表均为理想交流电表,且R1=R2,电键S原来闭合。现将S断开,则电压表的示数U、电流表的示数I、电阻R1上的功率P1、变压器原线圈的输入功率P的变化情况分别是![]()
| A.U增大 | B.I增大 |
| C.P1减小 | D.P增大 |
一理想变压器原副线圈的匝数比为
,电源电压
(V),原线圈电路中接入一熔断电流为
A的保险丝,副线圈中接入一可变电阻
,如图所示,为了使保险丝不致熔断,调节
时,其阻值最低不能小于( )![]()
| A. | B. | C. | D.220Ω |
某理想变压器原、副线圈匝数比为55∶9,原线圈输入电压按图3所示的规律变化,副线圈接有负载。则![]()
| A.变压器输入、输出电流之比为55∶9 |
| B.变压器输入、输出功率之比为55∶9 |
| C.变压器输出电压的有效值为36V |
| D.变压器输出电压的频率为2×10-2Hz |
如图所示,理想变压器的原、副线圈匝数比为1:5,原线圈两端的交变电压为
,氖泡只有在两端电压大于或等于100V时发光,下列说法中正确的有
www.ks5u.com
| A.开关接通后,氖泡的发光频率为100Hz | B.开关接通后,电压表的示数仍为100 V |
| C.开关断开后,电压表的示数变大 | D.开关断开后,变压器的输出功率不变 |
霓虹灯的激发电压和熄灭电压均为U0=50V,现有一正弦交流电源U=20sin10tV.为了使霓虹灯能够正常工作利用一个升压变压器,匝数比为1:5,如图所示,则下列说法正确的是 ( )![]()
| A.电压表读数为100V |
| B.霓虹灯在1秒钟内闪亮100次 |
| C.霓虹灯闪亮一次持续时间为0.005秒 |
| D.霓虹灯两端的交流电压的有效值为50V |