线圈在匀强磁场中匀速转动,产生的交变电流如图所示,则( )![]()
| A.在A和C时刻线圈平面和磁场垂直 |
| B.在B和D时刻线圈中的磁通量为零 |
| C.从A时刻到B时刻线圈转动的角度为πrad |
| D.若从0时刻到D时刻经历的时间为0.02s ,则该交变电流在1.0s的时间内方向会改变100次 |
一理想变压器原、副线圈匝数比为10∶1,原线圈与正弦交变电源连接,输入电压如图所示,副线圈仅接入一个阻值为10Ω的电阻,则( )![]()
| A.副线圈输出电压的频率为50HZ |
| B.在1s时间内副线圈中电流方向改变25次 |
| C.流过电阻的电流为1A |
| D.变压器的输入功率为5W |
矩形线圈在匀强磁场中匀速转动产生的电动势如图示,则( )![]()
| A.t1时刻线圈通过中性面 |
| B.t2时刻线圈中磁通量最大 |
| C.t3时刻线圈中磁通量变化率最大 |
| D.t4时刻线圈中磁通量变化率最大 |
一理想变压器原、副线圈匝数比n1∶n2=11∶5.原线圈与正弦交变电源连接,输入电压u如图所示.副线圈仅接入一个10 Ω的电阻.则( )![]()
| A.流过电阻的电流是10 A |
| B.与电阻并联的电压表的示数是100 V |
| C.经过1分钟电阻发出的热量是6×103 J |
| D.变压器的输入功率是1×103 W |
如图甲所示,矩形金属线框绕与磁感线垂直的转轴在匀强磁场中匀速转动,输出交流电的电动势图象如图乙所示,经原副线圈的匝数比为1:10的理想变压器为一灯泡供电(如图丙所示)。已知线圈电路中灯泡额定功率为22W.现闭合开关,灯泡正常发光。则下列说法中正确的是( )![]()
| A.t=0.01s时刻穿过线框回路的磁通量为零 |
| B.交流发电机的转速为50r/s |
| C.变压器原线圈中电流表示数为10A |
| D.灯泡的额定电压为 |
一理想变压器原、副线圈匝数比为11:5,原线圈与正弦交变电流电源连接,输入电压U如图所示,副线圈仅接入一个10Ω的电阻,则:![]()
| A.流过电阻的电流是20A |
| B.与电阻并联的电压表的示数是 |
| C.经过1分钟电阻发出的热量为 |
| D.变压器的输入功率是 |
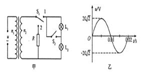
图甲中理想变压器原、副线圈的匝数之比
,电阻
,
、
为规格相同的两只小灯泡,S1为单刀双掷开关。原线圈接正弦交流电源,输入电压
随时间
的变化关系如图所示。现将S1接1、S2闭合,此时
正常发光。下列说法错误的是( )![]()
| A.输入电压 |
| B.保持S1接1,断开S2后, |
| C.保持S1接1,断开S2后,原线圈的输入功率增大 |
| D.若S1换接到2后, |
甲、乙两电路中电流与时间关系如图所示,属于交变电流的是( )![]()
| A.甲、乙都是 |
| B.甲是乙不是 |
| C.乙是甲不是 |
| D.甲、乙都不是 |