某变压器原、副线圈匝数比为55:3,原线圈所接电源电压按图示规律变化,副线圈接有负载。下列判断正确的是( )![]()
| A.交流电源有效值为 |
| B.原、副线圈中电流之比为55:3 |
| C.变压器输入、输出功率之比为55:3 |
| D.输出电压的最大值为 |
一台小型发电机产生的电动势随时间变化的正弦规律图象如图甲所示。已知发电机线圈内阻为5.0
,则外接一只电阻为95.0
的灯泡,如图乙所示,则![]()
![]()
| A.电压表v的示数为220v |
| B.电路中的电流方向每秒钟改变50次 |
| C.灯泡实际消耗的功率为484w |
| D.发电机线圈内阻每秒钟产生的焦耳热为24.2J |
如图所示是我国民用交流电的电压的图象。根据图象可知,下列有关家庭用交变电压参数的说法中,错误的是( )![]()
| A.电压的最大值是311V |
| B.用电压表测出的值是220V |
| C.交流电的频率是50Hz |
| D.任一时刻的交流电压都为220V |
一个矩形线圈绕垂直于匀强磁场并位于线圈平面内的固定轴匀速转动,线圈中的感应电动势e随时间t变化如图5所示。则:( )![]()
| A.t1时刻通过线圈的磁通量为零 |
| B.t2时刻线圈位于中性面 |
| C.t3时刻通过线圈的磁通量变化率最大 |
| D.每当e变换方向时,通过线圈的磁通量都最大 |
如图3所示是某种正弦式交变电压的波形图,由图可确定该电压的![]()
| A.最大值是311V |
| B.有效值是220V |
| C.周期是0.01s |
| D.表达式为U=220sin100πt(V) |
(2010年高考山东理综卷)一理想变压器原、副线圈的匝数比为10∶1,原线圈输入电压的变化规律如图甲所示,副线圈所接电路如图乙所示,P为滑动变阻器的触头.下列说法正确的是( )![]()
| A.副线圈输出电压的频率为50 Hz |
| B.副线圈输出电压的有效值为31 V |
| C.P向右移动时,原、副线圈的电流比减小 |
| D.P向右移动时,变压器的输出功率增加 |
将阻值为5 Ω的电阻接到内阻不计的交流电源上,电源电动势随时间变化的规律如图所示.下列说法正确的是( )![]()
| A.电路中交变电流的频率为0.25 Hz |
| B.通过电阻的电流为 |
| C.电阻消耗的电功率为2.5 W |
| D.用交流电压表测得电阻两端的电压是5 V |
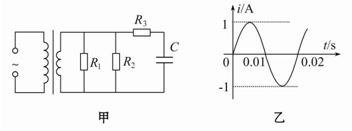
如图甲所示,理想变压器原、副线圈的匝数比为10∶1,R1=20 Ω,R2=30 Ω,C为电容器.已知通过R1的正弦交流电如图乙所示,则( )![]()
| A.交流电的频率为0.02 Hz |
| B.原线圈输入电压的最大值为200 |
| C.电阻R2的电功率约为6.67 W |
| D.通过R3的电流始终为零 |