一台小型发电机产生的电动势随时间变化的正弦规律图象如图甲所示.已知发电机线圈内阻为5.0 Ω,现外接一只电阻为95.0 Ω的灯泡,如图乙所示,则 ( )![]()
| A.电压表 |
| B.电路中的电流方向每秒钟改变50次 |
| C.灯泡实际消耗的功率为484 W |
| D.发电机线圈内阻每秒钟产生的焦耳热为24.2 J |
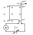
如图所示,矩形线圈abcd与可变电容器C、理想电流表A组成闭合电路。线圈在有界匀强磁场中绕垂直于磁场的bc边匀速转动,转动的角速度ω=100π rad/s。线圈的匝数N=100,边长ab=0.2m、ad=0.4m,电阻不计。磁场只分布在bc边的左侧,磁感应强度大小B=
T。电容器放电时间不计。下列说法正确的是![]()
| A.该线圈产生的交流电动势峰值为50 V |
| B.该线圈产生的交流电动势有效值为25 |
| C.电容器的耐压值至少为50V |
| D.电容器的电容C变大时,电流表的示数变小 |
图中,已知交流电原电压
电阻R=100Ω,
则电流表和电压表的读数分别是
| A.1.41A,200V | B.1.41A,141V |
| C.2A,200V | D.2A,141V |
两只阻值相等的电阻分别通以正弦交流电与方形交流电,它们电流的最大值相等,如图所示,则两只电阻的热功率之比是( )![]()
| A.1︰4 | B.1︰2 |
| C.1︰ | D.1︰1 |
如图所示,有一矩形线圈的面积为S,匝数为N内阻不计,绕
轴在水平方向的磁感应强度为B的匀强磁场中以角速度
做匀速转动,从图示位置开始计时。矩形线圈通过滑环接一理想变压器,滑动接头P上下移动时可改变输出电压,副线圈接有可调电阻R下列判断正确的是![]()
| A.矩形线圈产生的感应电动势的瞬时值表达式为e= |
| B.矩形线圈从图示位置经过 |
| C.当P位置不动j增大时,电压表读数也增大 |
| D.当P位置向上移动、R不变时,电流表读数减小 |
在磁感应强度为B的匀强磁场中,一个面积为S的矩形线圈匀速转动时所产生的交流电电压随时间变化的波形如图所示,线圈与一阻值 R=9 Ω的电阻串联在一起,线圈的电阻为1Ω.则![]()
| A.通过电阻R的电流瞬时值表达式为i=10sin 200πt |
| B.电阻R两端的电压有效值为90 V |
| C.图中t=1×10-2 s时,线圈位于垂直中性面的位置 |
| D.1 s内电阻R上产生的热量为450J |
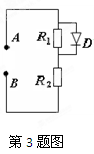
如图所示电路,电阻R1与电阻R2阻值相同,都为R,和R1并联的D为理想二极管(正向电阻可看作零,反向电阻可看作无穷大),在A、B间加一正弦交流电u=20
sin100πt(V),则加在R2上的电压有效值为![]()
| A.10V | B.20V | C.15V | D.5 |