关于传感器,下列说法正确的是 ( )
| A.所有传感器的材料都是由半导体材料做成的 |
| B.金属材料也可以制成传感器 |
| C.传感器主要是通过感知电压的变化来传递信号的 |
| D.以上说法都不正确 |
.面积为S的两个电阻相同的线圈,分别放在如图所示的磁场中,图甲中是磁感应强度为B0的匀强磁场,线圈在磁场中以周期T绕OO′轴匀速转动,图乙中磁场变化规律为B=B0cos,从图示位置开始计时,则 ( )![]()
| A.两线圈的磁通量变化规律相同 |
| B.两线圈中感应电动势达到最大值的时刻不同 |
| C.经相同的时间t(t>T),两线圈产生的热量相同 |
| D.从此时刻起,经T/4时间,流过两线圈横截面的电荷量相同 |
如图所示,一个匝数为10的矩形线圈在匀强磁场中绕垂直于磁场的轴匀速转动,周期为T.若把万用电表的选择开关拨到交流电压挡,测得a、b两点间的电压为20 V,则可知:从中性面开始计时,当t=T/8时,穿过线圈的磁通量的变化率约为
( )
| A.1.41 Wb/s | B.2.0 Wb/s |
| C.14.1 Wb/s | D.20.0 Wb/s |
如图所示,L1和L2是输电线,甲是电压互感器,变压比为1000∶1,乙是电流互感器.变流比为100∶1,并且知道电压表示数为220 V,电流表示数为10 A,则输电线的输送功率为![]()
| A.2.2108 W |
| B.2.2105 W |
| C.2.2103 W |
| D.2.2104 W |
关于理想变压器,下面各说法中正确的是( )
| A.它的输出功率等于它的输入功率 | B.它的输出功率可以大于它的输入功率 |
| C.原副线圈两端的电压与它们的匝数成反比 | D.原副线圈的电流与它们的匝数成正比 |
如图所示,50匝矩形闭合导线框ABCD处于磁感应强度大小B=
T的水平匀强磁场中,线框面积S=0.5m2,线框电阻不计。线框绕垂直于磁场的轴OO′以角速度ω=200rad/s匀速转动,并与理想变压器原线圈相连,副线圈线接入一只“220V,60W”灯泡,且灯泡正常发光,熔断器允许通过的最大电流为10A,下列说法正确的是:![]()
| A.图示位置穿过线框的磁通量为零 |
| B.线框中产生交变电压的有效值为 |
| C.变压器原、副线圈匝数之比为25︰11 |
| D.允许变压器输出的最大功率为5000W |
如图所示为理想变压器原线圈所接交流电压的波形,原、副线圈匝数比n1∶n2=10∶1,串联在原线圈电路中的电流表示数为1 A,下列说法中正确的是 ( )![]()
| A.变压器的输出功率为200 W |
| B.变压器的输出功率为200 W |
| C.变压器输出端的交变电流的频率为50 Hz |
| D.穿过变压器铁芯的磁通量变化率的最大值为 Wb/s |
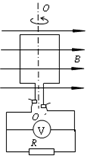
如图所示,在磁感应强度为B的匀强磁场中,有一匝数为N的矩形线圈,其面积为S,电阻为r,线圈两端外接一电阻为R的用电器和一个交流电压表。若线圈绕对称轴OOˊ以角速度ω做匀速转动,则线圈从图示位置转过90°的过程中,下列说法正确的是![]()
| A.通过电阻的电量为 |
| B.穿过线圈平面的磁通量的改变量为NBS |
| C.交流电压表的示数为 |
| D.电阻产生的热量为 |
如图甲所示,理想变压器原、副线圈的匝数比为10:1,R1=20
,R2=10
。开关S闭合。已知通过R1的正弦交流电如图乙所示,则:![]()
| A.交流电的频率为0.02 Hz |
| B.电阻R2的电功率约为40 W |
| C.原线圈输入电压的最大值为100 |
| D.若打开开关S,则电流表的示数将减小 |
在匀强磁场中有一个线圈,如图所示,当线圈分别以P1和P2为轴,按逆时针方向以相同角速度转动时,线圈中产生的感应电流的最大值分别为Im1和Im2,则Im1和Im2的大小关系为:![]()
| A.Im1大于Im2 |
| B.Im1小于Im2 |
| C.Im1等于Im2 |
| D.以上情况均有可能 |