某交流电压的瞬时值u=Umsin100πt,当t=1/600s时,u=5
V,则从电压表中读得的数值为 ( )
| A.5V | B.5 | C.10V | D.10 |
如图所示,一台理想变压器的原副线圈的匝数比为n1∶n2=40∶1。在副线圈两端接有“6V、40W”的电灯泡。若灯泡恰能正常发光,则 ( )![]()
| A.变压器输入电压的有效值为240V | B.变压器输入电压的最大值为240V |
| C.变压器输入功率为40W | D.变压器输入功率大于40W |
交流电源电压u=20sin(100πt)V,电路中电阻R=10Ω。电流表和电压表为理想电表,则如图电路中电流表和电压表的读数分别为( )![]()
| A.1.41A,14.1V | B.1.41A,20V | C.2A,20V | D.2A,14.1V |
某交流电的u—t图象如图所示,则该交流电( )![]()
| A.周期T = 0.01s | B.频率f = 50Hz |
| C.电压有效值 | D.用交流电压表测量时读数为220V |
配电变压器指配电系统中变换交流电压和电流的一种电器,如图为某理想变压器示意图,原副线圈匝数比为25:1,下列说法正确的( )![]()
| A.若原线圈的输入电压最大值为10kV,则电压表的示数为400V |
| B.若由于某种原因导致输入电压降低,则为了保证用户的正常用电,应增加副线圈的匝数 |
| C.若输入电压不变,闭合电键s,电压表和电流表示数均减小 |
| D.若输入电压不变,闭合电键s,原线圈中的电流将变大 |
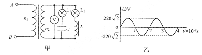
如图甲所示,理想变压器的原、副线圈砸数比
,L1和L2是相同型号的白炽灯,L1与电容器C串联,L2与带铁芯的线圈L串联,V为交流电压表。当原线圈接有如图乙所示正弦交变电压时,两只灯泡的亮度相同,则 ( )![]()
| A.与副线圈并联的电压表在 |
| B.与副线圈并联的电压表在 |
| C.当原线圈所接正弦交变电压的频率变为100Hz时,灯泡L1变亮,灯泡L2变暗 |
| D.当原线圈所接正弦交变电压的频率变为100Hz时,灯泡L1变暗,灯泡L2变亮 |
如图所示,理想变压器原线圈接在电压有效值不变的正弦交流电源上,副线圈向电阻R1、R2和R3供电, A为交流电流表,V为交流电压表,开关S闭合后与闭合前相比( )![]()
| A.V示数变大,A示数变小R1消耗的电功率变大 |
| B.V示数变大,A示数变大,R1消耗的电功率大 |
| C.V示数变小,A示数变小,R1消耗的电功率变小 |
| D.V示数变小,A示数变大,R1消耗的电功率变小 |
正弦交流电甲和方波交流电乙的峰值、频率完全相同,把此两电流分别输入完全相同的两个电阻中,经过相同的时间(足够长)后,两电阻中消耗的电能之比W甲:W乙为![]()
| A.1:2 | B.1: | C.1:1 | D.1:4 |
一只氖管的起辉电压与交变电流u=50sin314t(V)的有效值相等,若将此交变电流接到氖管的两极,在一个周期内,氖管的发光时间为( )。
| A.0.02s | B.0.015s | C.0.01s | D.0.005s |
下面是关于麦克斯韦电磁场理论的四句话,其中正确的是( )
| A.均匀变化的电场将产生均匀变化的磁场,均匀变化的磁场将产生均匀变化的电场 |
| B.均匀变化的电场将产生稳定的磁场,均匀变化的磁场将产生稳定的电场 |
| C.任何振荡电场在周围空间产生同频率的振荡磁场,任何振荡磁场在周围空间产生同频率的振荡电场 |
| D.均匀变化的电场和磁场互相激发,将产生由近及远传播的电磁波 |