在LC振荡电路中,当发生电磁振荡时,下面说法中正确的是( )
| A.振荡周期与电容器充电电量的多少有关 |
| B.电容器放电时电流越来越大,当放电完毕时电流达到最大值 |
| C.自系感数L越大,周期越小 |
| D.电容C越小,振荡频率越小 |
下列说法正确的是( )
| A.当处于电谐振时,所有的电磁波仍能在接收电路中产生感应电流 |
| B.当处于电谐振时,只有被接收的电磁波才能在接收电路中产生感应电流 |
| C.由调谐电路接收的感应电流,再经过耳机就可以听到声音了 |
| D.由调谐电路接收的感应电流,再经过检波、放大,通过耳机才可以听到声音 |
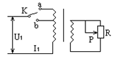
如图是一个理想变压器,K为双向电键,P是滑动变阻器滑动触头,U1为加在原线圈两端电压,I1为原线圈上电流,则![]()
![]()
| A.保持U1及P的位置不变,K由a合向b时,I1将增大 |
| B.保持P的位置及U1不变,K由a向b时,R消耗的功率减小 |
| C.保持U1不变,K合在a处,使P上滑,I1将增大 |
| D.保持P的位置不变,K合在a处,若U1增大,I1将减小 |
交流电源电压u="20sin(100" ωt)V,电路中电阻R=10Ω。则如图电路中电流表和电压表的读数分别为![]()
| A.1.41A,14.1V | B.1.41A,20V | C.2A,20V | D.2A,14.1V |
面积为S的矩形线圈在磁感应强度为B的匀强磁场中,从中性面起以角速度ω匀速转动,在t时刻线圈磁通量的瞬时值为
| A.BS | B.BScosωt | C.BSsinωt | D.BS/sinωt |
对于如图所示的电流i随时间t作周期性变化的图象,下列说法中正确的是![]()
| A.电流大小变化,方向不变,是直流电 |
| B.电流大小、方向都变化,是交流电 |
| C.电流最大值为0.2A,周期为0.01s |
| D.电流大小变化,方向不变,不是直流电,是交流电 |
有一个交流电U =" 311" sin314t 伏,则下列说法中正确的是-( )
| A.这个交流电的频率是50赫兹 |
| B.它可以使“220V,100W”的灯泡正常发光 |
| C.用交流电压表测量时,读数为311伏 |
| D.使用这个交流电的用电器,每通过一库仑的电量时,电流做功220焦耳 |
如图所示,白炽灯和电容器串联后接在交变电源的两端,交变电源的有效电压不变,当交变电源的频率增加时( )![]()
| A.电容器电容增大 | B.电容器电容减小 | C.电灯变暗 | D.电灯变亮 |
一理想变压器原、副线圈的匝数比n1 : n2="2" : 1,原线圈两端接一正弦式交变电流,其电压u随时间t变化的规律如图所示,则副线圈两端电压的有效值和频率分别为![]()
| A.110V,50Hz | B.110V,0.5Hz | C.220V,50Hz | D.220V,0.5Hz |