对于如图所示的电流i随时间t做周期性变化的图象,下列描述正确的是( )![]()
| A.电流的大小变化,方向也变化,是交变电流 |
| B.电流的大小变化,方向不变,不是交变电流 |
| C.电流的大小不变,方向不变,是直流电 |
| D.电流的大小不变,方向变化,是交变电流 |
图为某型号电热毯的电路图,将电热丝接在
的电源上,电热毯被加热到一定温度后,由于P的作用使输入的正弦交流电仅有半个周期能够通过,即电压变为图示波形,从而进入保温状态,则此时交流电压表的读数是 ![]()
| A.55V | B.78V | C.110V | D.156V |
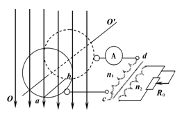
如图所示,导体棒ab两个端点分别搭接在两个竖直放置、电阻不计、半径相等的金属圆环上,圆环通过电刷与导线c、d相接.c、d两个端点接在匝数比n1:n2=10:1的变压器原线圈两端,变压器副线圈接一滑动变阻器R0,匀强磁场的磁感应强度为B,方向竖直向下,导体棒ab长为L(电阻不计),绕与ab 平行的水平轴(也
是两圆环的中心轴)
以角速度ω匀速转动.如果变阻器的阻值为R时,通过电流表的电流为I,则![]()
| A.变阻器上消耗的功率为P=10I2R |
| B.变压器原线圈两端的电压U1="10IR" |
| C.取ab在环的最低端时t=0,则棒ab中感应电流的表达式是 |
| D.ab沿环转动过程中受到的最大安培力F = |
如图甲所示,M是一个小型理想变压器,原副线圈匝数之比n1:n2=10:1,接线柱a、b接上一个正弦交变电源,
电压随时间变化规律如图7乙所示。变压器右侧部分为一火警报警系统原理图,其中R2为用半导体热敏材料(电阻随温度升高而减小)制成的传感器,R1为一定值电阻。下列说法中正确的是 ( )![]()
| A.电压表V示数为22 V |
| B.当传感器R2所在处出现火警时,电压表V的示数减小 |
| C.当传感器R2所在处出现火警时,电流表A的示数减小 |
| D.当传感器R2所在处出现火警时,电阻R1的功率变小 |
如图,三只完全相同的灯泡a、b、c分别与电阻R、电感L、电容C串联,再将三者并联,接在220V、50Hz的交变电压两端,三只灯泡亮度相同。若将交变电压改为220V、25Hz,则( )![]()
| A.三只灯泡亮度不变 | B.三只灯泡都将变亮 |
| C.a亮度不变,b变亮,c变暗 | D.a亮度不变,b变暗,c变亮 |
如图所示为一正弦交流电通过一电子元件后的波形图,则下列说法正确的是:( )![]()
| A.这也是一种交流电 |
| B.电流的变化周期是0.02s |
| C.电流的变化周期是0.01s |
| D.电流通过100Ω的电阻时,1s内产生热量为200J |
如图6所示,某电器经过滤波后形成的非对称性正弦波交流电,则该交流电的有效值为( )![]()
| A.4.5A | B. | C. | D. |
交流发电机电枢中产生的交变电动势为e=Emsinωt,如果要将交变电动势的有效值提高一倍,而交流电的周期不变,可采取的方法是 ( )
| A.将电枢转速提高一倍,其他条件不变 |
| B.将磁场增加一倍,其他条件不变 |
| C.将线圈的面积增加一倍,其他条件不变 |
| D.将磁场的强弱增加一倍,线圈的面积缩小一半,其它条件不变 |