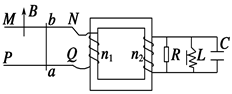
如图所示,MN和PQ为两个光滑的电阻不计的水平金属导轨,变压器为理想变压器,今在水平导轨部分加一竖直向上的匀强磁场,则以下说法正确的是 ( )![]()
| A.若ab棒匀速运动,则IR≠0,IL≠0,IC=0 |
| B.若ab棒匀速运动,则IR=0,IL =0,IC =0 |
| C.若ab棒固定,磁场按B=Bm sinω t.的规律变化,则IR≠0,IL≠0,IC≠0 |
| D.若ab棒做匀加速运动,IR≠0,IL≠0,IC≠0 |
两块水平放置的金属板间的距离为d,用导线与一个n匝线圈相连,线圈电阻为r,线圈中有竖直方向的磁场,电阻R与金属板连接,其余电阻均不计.如图所示,两板间有一个质量为m、电量q的带正电的油滴恰好处于静止状态,则线圈中的磁感应强度B的变化情况和磁通量的变化率分别是![]()
| A.磁感应强度B竖直向上且正在增强, |
| B.磁感应强度B竖直向下且正在增强, |
| C.磁感应强度B竖直向上且正在减弱, |
| D.磁感应强度B竖直向下且正在减弱, |
物理实验中,常用一种叫做“冲击电流计”的仪器测定通过电路的电量.如图所 示, 探测线圈与冲击电流计串联后可用来测定磁场的磁感应强度.已知线圈的匝数为n,面积为s,线圈与冲击电流计组成的回路电阻为R.若将线圈放在被测匀强磁场中,开始线圈平面与磁场垂直,现把探测圈翻转180°,冲击电流计测出通过线圈的电量为q,由上述数据可测出被测磁场的磁感应强度为( )![]()
| A.qR/S | B.qR/nS | C.qR/2nS | D.qR/2S |
如图所示,闭合金属导线框放置在竖直向上的匀强磁场中,匀强磁场的磁感应强度的大小随时间变化。下列说法![]()
①当磁感应强度增加时,线框中的感应电流可能减小
②当磁感应强度增加时,线框中的感应电流一定增大
③当磁感应强度减小时,线框中的感应电流一定增大
④当磁感应强度减小时,线框中的感应电流可能不变
其中正确的是( )
| A.只有②④正确 | B.只有①③正确 |
| C.只有②③正确 | D.只有①④正确 |
如右图所示,一个闭合回路由两部分组成。右侧是电阻为r的圆形导线,置于竖直向上均匀变化的磁场B1中,左侧是光滑的倾角为θ的平行导轨,宽度为d,其电阻不计。磁感应强度为B2的匀强磁场垂直导轨平面向上,且只分布在左侧,一个质量为m、电阻为R的导体棒此时恰好能静止在导轨上,下述判断不正确的是( )![]()
| A.圆形线圈中的磁场,方向向上均匀增强 |
| B.导体棒a、b受到的安培力大小为mgsinθ |
| C.回路中的感应电流为mgsinθ/B2d |
| D.圆形导线中的电热功率为 |
环形线圈放在均匀磁场中,设在第1秒内磁感线垂直于线圈平面向内,若磁感应强度随时间变化关系如图,那么在第2秒内线圈中感应电流的大小和方向是( )![]()
| A.感应电流大小恒定,顺时针方向 |
| B.感应电流大小恒定,逆时针方向 |
| C.感应电流逐渐增大,逆时针方向 |
| D.感应电流逐渐减小,顺时针方向 |