如图所示,相距为d的两水平虚线p1、p2表示方向垂直纸面向里的匀强磁场中的上下边界,磁场的磁感应强度为B,正方形abcd的边长为L(L<d)、质量为m、电阻为R,线框处在磁场正上方,ab边与虚线p1相距h.线框由静止释放,下落过程中线框平面始终在竖直平面内,线框的ab边刚进入磁场时的速度和ab边刚离开磁场时的速度相同.在线框从进入到全部穿过磁场的过程中,下列说法正确的是( )![]()
| A.线框克服安培力所做的功为2mgd |
| B.线框克服安培力所做的功为mgd |
| C.线框的最小速度一定为 |
| D.线框的最小速度一定为 |
如图所示,间距为L的光滑平行金属导轨水平放置,导轨上有一电阻为r的金属棒ab与导轨接触良好。导轨一端连接电阻R,其它电阻不计,磁感应强度为B,金属棒ab在水平外力F的作用下以速度v向右作匀速运动,则![]()
| A.金属棒a端电势比b端高 |
| B.电阻R两端的电压为BLv |
| C.ab棒受到的安培力的方向向左 |
| D.外力F做的功等于电阻R上发出的焦耳热 |
在匀强磁场中放置一个电阻不计的平行金属导轨,导轨跟大线圈M相连,导轨上放一根导线ab,磁感线垂直于导轨所在的平面,欲使M所包围的小线圈N产生顺时针方向的感应电流,则导线的运动情况可能是( )![]()
| A.匀速向右运动 | B.减速向右运动 |
| C.加速向右运动 | D.减速向左运动 |
如图所示,ab、cd是固定在竖直平面内的足够长的金属框架.除bc段电阻为R,其余电阻均不计,ef是一条不计电阻的金属杆,杆两端与ab和cd始终接触良好且能无摩擦下滑,下滑时ef始终处于水平位置,整个装置处于垂直框面的匀强磁场中,ef从静止下滑,经过一段时间后闭合开关S,则在闭合S后 ( )![]()
| A.ef的加速度不可能大于g |
| B.闭合S的时刻不同,ef的最终速度也不同 |
| C.闭合S的时刻不同,ef最终匀速运动时电流的功率也不同 |
| D.ef匀速下滑过程,减少的机械能等于电路消耗的电能 |
如图所示,平行金属导轨与水平面成θ角,导线与固定电阻R1和R2相连,匀强磁场垂直穿过导轨平面.有一导体棒ab,质量为m,长度为L,导体棒的电阻与固定电阻R1和R2的阻值相等,都等于R,导体棒与导轨之间的动摩擦因数为μ,导体棒ab沿导轨向上滑动,当上滑的速度为v时,有![]()
| A.棒中感应电流的方向由b到a |
| B.棒所受安培力的大小为 |
| C.棒两端的电压为 |
| D.棒动能的减小量等于其重力势能的增加量与电路上产生的电热之和 |
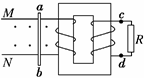
如图所示,两个线圈套在同一个铁芯上,线圈的绕向在图中已经标出。左线圈连着平行导轨M和N,导轨电阻不计,在导轨垂直方向上放着金属棒ab,金属棒处在垂直于纸面向外的匀强磁场中。下列说法中正确的是( ) ![]()
| A.当金属棒ab向右匀速运动时,a点电势高于b点,c点电势高于d点 |
| B.当金属棒ab向右匀速运动时,b点电势高于a点,c点与d点等电势 |
| C.当金属棒ab向右加速运动时,b点电势高于a点,c点电势高于d点 |
| D.当金属棒ab向右加速运动时,b点电势高于a点,d点电势高于c点 |