如图所示,MN、PQ为两平行金属导轨,M、P间连有一阻值为R的电阻,导轨处于匀强磁场中,磁感应强度为B,磁场方向与导轨所在平面垂直,图中磁场垂直纸面向里.有一金属圆环沿两导轨滑动,速度为v,与导轨接触良好,圆环的直径d与两导轨间的距离相等.设金属环与导轨的电阻均可忽略,当金属环向右做匀速运动时![]()
| A.有感应电流通过电阻R,大小为 | B.有感应电流通过电阻R,大小为 |
| C.有感应电流通过电阻R,大小为 | D.没有感应电流通过电阻R |
如图所示,弹簧秤下挂一条形磁铁,其中条形磁铁N极的一部分位于未通电的螺线管内,下列说法正确的是![]()
| A.若将a接电源正极,b接负极,弹簧秤示数减小 |
| B.若将a接电源正极,b接负极,弹簧秤示数增大 |
| C.若将b接电源正极,a接负极,弹簧秤示数增大 |
| D.若将b接电源正极,a接负极,弹簧秤示数减小 |
如图,连接两个定值电阻的平行金属导轨与水平面成θ角,R1 = R2 = 2R,匀强磁场垂直穿过导轨平面。有一导体棒ab质量为m,棒的电阻也为2R,棒与导轨之间的动摩擦因数为μ。导体棒ab沿导轨向上滑动,当上滑的速度为v时,定值电阻R2消耗的电功率为P,下列正确的是 ![]()
| A.此时重力的功率为mg v cosθ |
| B.此装置消耗的机械功率为μ mg v cosθ |
| C.导体棒受到的安培力的大小为6 P / v |
| D.导体棒受到的安培力的大小为8 P / v |
在两根光滑的平行金属导轨上有两根直导线,导线中分别接有电流表A和电压表V,如图所示。导线以相同的初速度,在匀强磁场中用相同的加速度沿相同方向运动,则下列说法正确的是![]()
| A.A读数为零,V读数为零 |
| B.A读数不为零,V读数为零 |
| C.V读数不为零,A读数为零 |
| D.V读数不为零,A读数不为零 |
在图
甲、乙、丙三图中,除导体棒ab可以移动外其余部分均固定不动,甲图中的电容器C原来不带电
,设导体棒、导轨和直流电源的电阻均不计,导体棒和导轨之间的摩擦力也不计,图中装置均在水平面内,且都处于方向垂直于水平面(即纸面)向下无限大的的匀强磁场中,导轨足够长,今给导体棒一个向右的初速度V。在甲、乙、丙三种情况下导体棒最终运动状态是: ( )![]()
| A.三种情况 |
| B.甲、丙中ab棒最终可能以不同速度做匀速运动,乙中ab棒最终静止 |
| C.甲、丙中ab棒最终一定以相同速度做匀速运动,乙中ab棒最终静止 |
| D.三种情况下,导体棒ab最终均静止 |
如图所示,平行金属导轨与水平面成θ角,导轨与固定电阻R1和R2相连,匀强磁场垂直穿过导轨平面。有一导体棒ab,质量为m,导体棒的电阻与固定电阻R1和R2的阻值均相等,与导轨之间的动摩擦因数为μ,导体棒ab沿导轨向上滑动,当上滑的速度为
时,受到安培力的大小为
,此时![]()
| A.电阻R1消耗的热功率为 |
| B.电阻R2消耗的热功率为 |
| C.整个装置消耗的机械功率为 |
D.整个装置因摩擦而消耗的热功率为![]() |
如图所示为真空冶炼炉。 炉外有线圈,则真空冶炼炉在工作时,下列说法错误的是( )![]()
| A.通过线圈的电流直接流经炉内金属,并使之发热 |
| B.通过线圈的电流是高频交流电 |
| C.炉内金属中会产生感应电流,这种电流叫涡流 |
| D.炉内金属中会产生涡流,涡流产生的热量使金属熔化 |
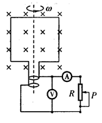
如图所示,匝数为
、电阻为r、面积为S的矩形线圈在匀强磁场中绕垂直于磁场的轴以角速度
匀速转动,磁场的磁感应强度大小为
,各电表均为理想交流电表。
时刻线圈平面与磁场垂直,则![]()
| A.滑片P下滑时,电压表的读数不变 |
| B.线圈经图示位置时的感应电动势最大 |
| C.线圈从图示位置起转过 |
| D.1 s内流过电流表A的电流方向改变 |
如图所示,下端接有电阻R的“U”形光滑金属导轨与水平面成θ角,导轨所在空间有一与导轨平面垂直的匀强磁场。导轨上有一个金属棒,金属棒与两导轨垂直且接触良好,在沿着斜面向上且与棒垂直的拉力F作用下,金属棒沿导轨匀速上滑,则下列说法正确的是
| A.拉力做的功等于该金属棒的机械能的增量 |
| B.拉力做的功等于该金属棒重力势能的增量与回路产生的热量之和 |
| C.该金属棒所受的拉力、安培力、重力做功之和等于回路产生的热量 |
| D.拉力对该金属棒做的功等于回路中产生的电能 |
