如图所示的电路中,三个相同的灯泡a?b?c和电感L1?L2与直流电源连接,电感的电阻忽略不计.电键K从闭合状态突然断开时,下列判断正确的有( )![]()
| A.a先变亮,然后逐渐变暗 |
| B.b先变亮,然后逐渐变暗 |
| C.c先变亮,然后逐渐变暗 |
| D.b?c都逐渐变暗 |
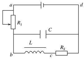
用电压表检查如图所示的电路中的故障,测量Uad="5.0" V,Uab=0,Ubc="5.0" V,Ucd=0,则电路故障可能是( )![]()
| A.滑动变阻器R1断路 | B.电容器C被击穿 |
| C.电阻R2断路 | D.电感线圈L断路 |
在图所示的电路中,两个相同的电流表G1和G2的零点在刻度盘中央,当电流从“+”接线柱流入时,指针向右摆;当电流从“—”接线柱流入时,指针向左摆。在电路接通后再断开开关K的瞬间,下列说法中正确的是( )![]()
![]()
| A.G1指针向右摆,G2指针向左摆 |
| B.G1指针向左摆,G2指针向右摆 |
| C.两表指针都向右摆 |
| D.两表指针都向左摆 |
如图所示,线圈L与灯泡并联后接到电源上。先闭合开关S,稳定后设通过线圈L的电流为I1,通过小灯泡的电流为I2。断开开关S,下列判断正确的是
| A.I1逐渐减为零 |
| B.小灯泡立即熄灭 |
| C.小灯泡中的电流逐渐减为零,方向与I2相反 |
| D.小灯泡中的电流逐渐减为零,方向与I2相同 |
如图所示的电路中,电源电动势为E,内阻r不能忽略.R1和R2是两个定值电阻,L是一个自感系数较大的线圈.开关S原来是断开的.从闭合开关S到电路中电流达到稳定为止的时间内,通过R1的电流I1和通过R2的电流I2的变化情况是![]()
| A.I1开始较大而后逐渐变小 | B.I1开始很小而后逐渐变大 |
| C.I2开始很小而后逐渐变大 | D.I2开始较大而后逐渐变小 |
如图9所示的电路中,电源电动势为E,内阻r不能忽略.R1和R2是两个定值电阻,L是一个自感系数较大的线圈.开关S原来是断开的.从闭合开关S到电路中电流达到稳定为止的时间内,通过R1的电流I1和通过R2的电流I2的变化情况是( )![]()
| A.I1开始较大而后逐渐变小 |
| B.I1开始很小而后逐渐变大 |
| C.I2开始很小而后逐渐变大 |
| D.I2开始较大而后逐渐变小 |
在图1所示的电路中,两个灵敏电流表G1和G2的零点都在刻度盘中央,当电流从“+”接线柱流入时,指针向右摆;电流从“-”接线柱流入时,指针向左摆.在电路接通后再断开的瞬间,下列说法中符合实际情况的是 ( )![]()
| A.G1表指针向左摆,G2表指针向右摆 |
| B.G1表指针向右摆,G2表指针向左摆 |
| C.G1、G2表的指针都向左摆 |
| D.G1、G2表的指针都向右摆 |
如图所示,开关S闭合且达到稳定时,小灯泡能正常发光.则当闭合S和断开S的瞬间能观察到的现象分别是( )![]()
| A.小灯泡慢慢亮;小灯泡立即熄灭 |
| B.小灯泡立即亮;小灯泡立即熄灭 |
| C.小灯泡慢慢亮;小灯泡比原来更亮一下再慢慢熄灭 |
| D.小灯泡立即亮;小灯泡比原来更亮一下再慢慢熄灭 |