如图所示电路中,L是一个带铁芯的线圈,R为纯电阻,两支路的直流电阻相等,A1、A2为双向电流表,在接通和断开开关S的瞬间,两电流表读数I1、I2分别是( )
| A.I1<I2,I1>I2 | B.I1<I2,I1=I2 |
| C.I1<I2,I1<I2 | D.I1=I2,I1<I |
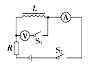
如图14所示,电阻R1=3 Ω,R2=6 Ω,线圈的直流电阻不计,电源电动势E=5 V,内阻r=1 Ω.开始时,电键S闭合,则( )![]()
| A.断开S前,电容器所带电荷量为零 |
| B.断开S前,电容器两端的电压为 |
| C.断开S的瞬间,电容器a板带上正电 |
| D.断开S的瞬间,电容器b板带上正电 |
于自感现象,下列说法中正确的是( )
| A.自感现象是线圈自身的电流变化而引起的电磁感应现象 |
| B.自感电动势总是阻止原电流的变化 |
| C.自感电动势的方向总与原电流方向相反 |
| D.自感电动势的方向总与原电流方向相同 |
关于某一线圈的自感系数,下列说法中正确的是( )
| A.线圈中电流变化越大,线圈的自感系数越大 |
| B.线圈中电流变化得越快,线圈的自感系数越大 |
| C.若线圈中通入恒定电流,线圈自感系数为零 |
| D.不管电流如何变化,线圈的自感系数不变 |
在研究自感现象的实验中,用两个完全相同的灯泡a、b分别与自感系数很大的自感线圈L和定值电阻R组成如图10所示的电路(自感线圈的直流电阻与定值电阻R的阻值相等),闭合开关S达到稳定后两灯均可以正常发光。关于这个实验下面的说法中正确的是![]()
| A.闭合开关的瞬间,通过a灯和b灯的电流相等 |
| B.闭合开关后,b灯先亮,a灯后亮 |
| C.闭合开关,待电路稳定后断开开关,a、b两灯同时熄灭 |
| D.闭合开关,待电路稳定后断开开关,b灯先熄灭,a灯后熄灭 |
如图所示,电路中L是自感系数较大的电感器.当滑动变阻器的滑动触头P从A端迅速滑向B端过程中通过AB的中点C时刻,回路中的电流为I1;当滑动触头固定在C点时刻,回路中的电流为I2,则下列关系正确的是( )![]()
| A.I1= I2 | B.I1 > I2 | C.I1 < I2 | D.I1、I2关系以上都有可能3 |
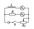
如图所示电路中,A1、A2是两只相同的电流表,线圈L的直流电阻与电阻R阻值相等.下面判断正确的是( ) ![]()
| A.开关S接通的瞬间,电流表A1的读数大于A2的读数 |
| B.开关S接通的瞬间,电流表A1的读数小于A2的读数 |
| C.开关S接通电路稳定后再断开的瞬间,电流表A1的读数大于A2的读数 |
| D.开关S接通电路稳定后再断开的瞬间,电流表A1的读数等于A2的读数 |
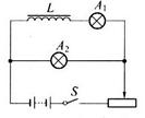
如图所示的电路中,A1和A2是完全相同的灯泡,线圈L的电阻可以忽略,下列说法中正确的是( ).![]()
| A.闭合电键S接通电路时,A2始终比A1亮 |
| B.闭合电键S接通电路时,A2先亮,A1后亮,最后一样亮 |
| C.断开电键S切断电路时,A2先熄灭,A1过一会儿才熄灭 |
| D.断开电键S切断电路时.A1和A2都要过一会儿才熄灭 |