机场用于安全检查的“安全门”是应用了下列哪个现象
| A.涡流 | B.静电除尘 | C.磁体产生磁场 | D.安全用电 |
如图所示的电路中,A1和A2是完全相同的灯泡,线圈L的电阻可以忽略。下列说法中正确的是![]()
| A.合上开关S接通电路时,A1和A2始终一样亮 |
| B.合上开关S接通电路时,A2先亮,A1后亮,最后一样亮 |
| C.断开开关S切断电路时,A2立即熄灭,A1过一会儿才熄灭 |
| D.断开开关S切断电路时,A1和A2都要过一会儿才熄灭 |
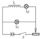
如图所示的电路中,L1和L2是完全相同的灯泡,线圈L的电阻可以忽略。下列说法正确的是( )![]()
| A.合上开关S接通电路时,L1先亮,L2后亮,最后一样亮 |
| B.合上开关S接通电路时,L1和L2始终一样亮 |
| C.断开开关S切断电路时,L1立刻熄灭,L2过一会儿才熄灭 |
| D.断开开关S切断电路时,L1和L2突然亮一下,然后过一会儿才熄灭 |
如图所示的电路中,S1和S2是两个相同的小灯泡,L是一个自感系数相当大的线圈,其直流电阻值与R相等.在电键K接通和断开时,灯泡S1和S2亮暗的顺序是( )![]()
| A.接通时,S1先达到最亮,断开时,S1后暗 |
| B.接通时, S2先达到最亮,断开时,S2后暗 |
| C.接通时,S1先达到最亮,断开时,S1先暗 |
| D.接通时,S2先达到最亮,断开时,S2先暗 |
如图2中,A1、A2是两个电流表, R是变阻器,L是带铁芯的线圈,AB和CD两支路直流电阻相同,下列结论正确的有![]()
(1).闭合K时,A1示数小于A2示数
(2).闭合K后(经足够长时间),A1示数等于A2示数
(3).断开K时,A1示数等于A2示数
(4).断开K后的瞬间,通过R的电流方向与断开K前方向相反
| A.(1)(2) | B.(3)(4) |
| C.(1)(2)(3)(4) | D.(2)(4) |
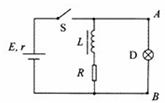
如图所示电路中,L是自感系数足够大的线圈,它的电阻可忽略不计,D1和D2是两个完全相同的小灯泡。将电键K闭合,待灯泡亮度稳定后,再将电键K断开,则下列说法中正确的是( )![]()
| A.K闭合瞬间,两灯同时亮,以后D1熄灭,D2变亮 |
| B.K闭合瞬间,D1先亮,D2后亮,最后两灯亮度一样 |
| C.K断开时,两灯都亮一下再慢慢熄灭 |
| D.K断开时,D2立即熄灭,D1闪一下再慢慢熄灭 |
如图所示的电路中有L1和L2两个完全相同的灯泡,线圈L的电阻忽略不计,下列说法中正确的是![]()
| A.闭合S时,L2先亮,L1后亮,最后一样亮 |
| B.断开S时,L2立刻熄灭,L1过一会儿熄灭 |
| C.断开S前后,L1中的电流始终从a到b |
| D.断开S前后,L2中的电流始终从c到d |
如图所示,电感线圈L的自感系数足够大,其直流电阻忽略不计,LA、LB是两个相同的灯泡,且在下列实验中不会烧毁,电阻R2阻值约等于R1两倍大,则![]()
| A.闭合开关S时,LA、LB同时达到最亮,且LB更亮一些 |
| B.闭合开关S时,LA、LB均慢慢亮起来,且LA更亮一些 |
| C.断开开关S时,LA慢慢熄灭,LB马上熄灭 |
| D.断开开关S时,LA慢慢熄灭,LB闪亮后才慢慢熄灭 |