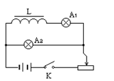
图所示的电路中,A1和A2是完全相同的灯泡,线圈L的电阻可以忽略。下列说法中正确的是( )![]()
| A.合上开关K接通电路时,A2先亮,A1后亮,最后一样亮; |
| B.合上开关K接通电路时,A1和A2始终一样亮; |
| C.断开开关K切断电路时,A2立刻熄灭,A1过一会儿才熄灭; |
| D.断开开关K切断电路时,A1和A2都要过一会儿才熄灭; |
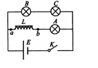
如图所示的电路中,电源电动势为E,线圈L的电阻不计.以下判断正确的是 ( )![]()
| A.闭合S,稳定后,电容器两端电压为0 |
| B.闭合S,稳定后,电容器的a极带正电 |
| C.断开S的瞬间,电容器的a极板将带正电 |
| D.断开S的瞬间,电容器的a极板将带负电 |
图2所示电路中,线圈L与灯泡A并联,当合上开关S后灯A正常发光。已知,线圈L的电阻小于灯泡A的电阻。则下列现象可能发生的是( )
| A.当断开S时,灯泡A立即熄灭 |
| B.当断开S时,灯泡A突然闪亮一下,然后逐渐熄灭 |
| C.若把线圈L换成电阻,断开S时,灯泡A逐渐熄灭 |
| D.若把线圈L换成电阻,断开S时,灯泡A突然闪亮一下,然后逐渐熄灭 |
如图所示电路,开关原来接通,当开关突然断开的瞬间,电阻R中:![]()
| A.仍有电流,方向由A流向B; |
| B.立即没有电流; |
| C.仍有电流,方向由B流向A; |
| D.无法确定。 |
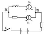
在图所示的电路中,两个灵敏电流表G1和G2的零点都在刻度盘中央,当电流从“+”接线柱流入时,指针向右摆;电流从“-”接线柱流入时,指针向左摆.在电路接通达到稳定状态后再断开的瞬间,下面哪个说法符合实际?![]()
| A.G1指针向左摆,G2指针向右摆 |
| B.G1指针向右摆,G2指针向左摆 |
| C.G1、G2的指针都向左摆 |
| D.G1、G2的指针都向右摆 |
如图所示的电路中,电源电动势为E,内阻r不能忽略。R1和R2是两个定值电阻,L是一个自感系数较大的线圈,开关S原来是断开的。从闭合开关S到电路中电流达到稳定为止的时间内,通过R1的电流I1和通过R2的电流I2的变化情况是![]()
| A.I1开始较大而后逐渐变小 |
| B.I1开始很小而后逐渐变大m] |
| C.I2开始较大而后逐渐变小 |
| D.I2开始很小而后逐渐变大 |