如图所示的甲、乙两个电路,电感线圈的自感系数足够大,且直流电阻不可忽略,闭合开关S,待电路达到稳定后,灯泡均能发光。现将开关S断开,这两个电路中灯泡亮度的变化情况可能是 ( )![]()
| A.甲电路中灯泡将渐渐变暗 |
| B.甲电路中灯泡将先变得更亮,然后渐渐变暗 |
| C.乙电路中灯泡将渐渐变暗 |
| D.乙电路中灯泡将先变得更亮,然后渐渐变暗 |
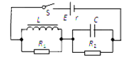
如图所示,E、r为电源的电动势、内阻,R1(与线圈并联)、R2(与电容并联)为定值电阻,线圈L的直流电阻不计,C为电容器。下列说法中正确的是( )![]()
| A.合上开关S的瞬间,R1中无电流 |
| B.合上开关S稳定后,R2中无电流 |
| C.合上开关S稳定后,断开S的瞬间,R1中电流方向向右 |
| D.合上开关S稳定后,断开S的瞬间,R2中电流方向向右 |
如图所示,L是自感系数很大,直流电阻很小的线圈,电表的零刻度都在表盘的中央,且量程均较大,闭合电键S,各表的指针都偏向零刻度的右边,则在断开电键的瞬间,哪几个表指针偏向零刻度的左边? () ![]()
| A.A1表 | B.A2表 | C.A3表 | D.V表 |
在日光灯的连接线路中,关于启动器的作用,以下说法正确的是:( )
| A.日光灯起动时,为灯管提供瞬时高压; |
| B.日光灯正常工作时,起降压限流的作用; |
| C.起到一个自动开关的作用,实际上可用一个弹片开关代替(按下接通,放手断开); |
| D.以上说法均不正确。 |
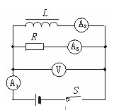
在如图所示的电路中,A1和A2是完全相同的灯泡,线圈L的电阻可忽略,下列说法正确的是
| A.闭合开关S,A2先亮,A1后亮,最后一样亮 |
| B.闭合开关S,A1和A2始终一样亮 |
| C.断开开关S,A1和A2都要过一会儿才熄灭 |
| D.断开开关S,A2立即熄灭,A1过一会儿才熄灭 |
在如图所示的电路中,A1和A2是完全相同的灯泡,线圈L的电阻可忽略,下列说法正确的是![]()
| A.闭合开关S,A2先亮,A1后亮,最后一样亮 |
| B.闭合开关S,A1和A2始终一样亮 |
| C.断开开关S,A1和A2都要过一会儿才熄灭 |
| D.断开开关S,A2立即熄灭,A1过一会儿才熄灭 |
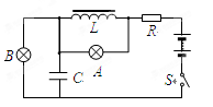
如图所示电路中,A、B是两个完全相同的灯泡,L是一个理想电感线圈,当S闭合与断开时,A、B的亮度情况是( )![]()
| A.S闭合时,A立即亮,然后逐渐熄灭 |
| B.S闭合时,B立即亮,然后逐渐熄灭 |
| C.S闭合足够长时间后,B发光,而A不发光 |
| D.S闭合足够长时间后,B立即熄灭发光,而A逐渐熄灭 |
如图所示电路中,A、B是两个完全相同的灯泡,L是一个理想电感线圈,当S闭合与断开时,A、B的亮度情况是( )![]()
| A.S闭合时,A立即亮,然后逐渐熄灭 |
| B.S闭合时,B立即亮,然后逐渐熄灭 |
| C.S闭合足够长时间后,B发光,而A不发光 |
| D.S闭合足够长时间后,B立即熄灭发光,而A逐渐熄灭 |