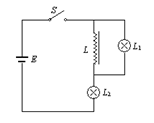
如图所示,E为电源,L是自感系数足够大的电感线圈,其直流电阻不计,L1与L2是规格一样的两只灯泡,下列说法正确的是( )![]()
①S刚闭合时,L1和L2同时发光,且同样亮
②S闭合,电路稳定后,L1熄灭,L2比S刚闭合时亮
③将S由闭合再断开时,L2不会立即熄灭
④S断开时,L1闪亮一下,且一定比S闭合时更亮
| A.仅有①正确 | B.仅有②④正确 |
| C.仅有②③④正确 | D.仅有①②④正确 |
如图所示的电路中,AB支路由带铁芯的线圈和电流表A1串联而成,流过的电流为l1,CD支路由电阻R和电流表A2串联而成,流过的电流为I2,已知这两支路的电阻值相同,则在接通S和断开S的时候,观察到的现象是![]()
| A.接通S的瞬间I1<I2,断开的瞬间I1>I2 |
| B.接通S的瞬间I1<12,断开的瞬间I1=12 |
| C.接通S的瞬间I1=I2,断开的瞬间I1<I2 |
| D.接通s的瞬间I1>I2,断开的瞬间I1=I2 |
如图所示,电源的电动势为E,内阻r忽略不计。A、B是两个相同的小灯泡,L是一个自感系数相当大的线圈。关于这个电路的以下说法正确的是( )![]()
| A.开关闭合后,A灯立刻亮,而后逐渐变暗,最后亮度稳定 |
| B.开关闭合到后,B灯逐渐变亮,最后亮度稳定 |
| C.开关由闭合到断开瞬间,A灯闪亮一下再熄灭 |
| D.开关由闭合到断开瞬间,电流自右向左通过A灯 |
电阻箱是一种可以调节电阻大小并且能够显示出电阻阻值的变阻器。制造某种型号的电阻箱时,要用双线绕法,如右图所示。当电流变化时双线绕组 ( )![]()
| A.螺旋管内磁场发生变化 |
| B.穿过螺旋管的磁通量不发生变化 |
| C.回路中一定有自感电动势产生 |
| D.回路中一定没有自感电动势产生 |
如图甲、乙电路中,电阻R和自感线圈L的电阻值都很小且相等,灯泡的电阻稍大.接通开关S,使电路达到稳定,灯泡发光.下列判断错误的是![]()
| A.在电路甲中断开S,灯泡将渐渐变暗 |
| B.在电路甲中断开S,灯泡将先变得更亮,然后渐渐变暗 |
| C.在电路乙中断开S,灯泡将渐渐变暗 |
| D.在电路乙中断开S,灯泡将先变得更亮,然后渐渐变暗 |
如图所示,电感线圈L的直流电阻RL=1Ω,小灯泡A的电阻R=5Ω,闭合开关S,待电路稳定后再断开开关,则在断开开关S的瞬间,小灯泡A: ![]()
| A.立即熄灭 | B.闪亮一下再逐渐熄灭 |
| C.逐渐熄灭 | D.以上三种情况都有可能 |
在图所示的电路中,两个灵敏电流表G1和G2的零点都在刻度盘中央,当电流从“+”接线柱流入时,指针向右摆;电流从“-”接线柱流入时,指针向左摆.在电路接通后再断开的瞬间,下列说法中符合实际情况的是 ( )
| A.G1表指针向左摆,G2表指针向右摆 |
| B.G1表指针向右摆,G2表指针向左摆 |
| C.G1、G2表的指针都向左摆 |
| D.G1、G2表的指针都向右摆 |
某输电线路横穿公路时,要在地下埋线通过,为了保护线路不至于被压坏,预先铺设结实的过路钢管,再让输电线从钢管中穿过.电线穿管的方案有两种:甲方案是铺设两根钢管,两条输电线分别从两根钢管中穿过;乙方案是只铺设一根钢管,两条输电线都从这一根钢管中穿过,如图12所示.如果输电导线输送的电流很大,那么,以下说法正确的是 ( )![]()
| A.无论输送的电流是恒定电流还是交变电流,甲、乙两方案都是可行的 |
| B.若输送的电流是恒定电流,甲、乙两方案都是可行的 |
| C.若输送的电流是交变电流,乙方案是可行的,甲方案是不可行的 |
| D.若输送的电流是交变电流,甲方案是可行的,乙方案是不可行的 |