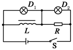
如图所示的电路中,D1和D2是两个相同的小灯泡,L是一个自感系数相当大的线圈,其阻值与R相同.在开关S接通和断开时,灯泡D1和D2亮暗的顺序是 ( ) ![]()
| A.接通时D1先达最亮,断开时D1后灭 |
| B.接通时D2先达最亮,断开时D1后灭 |
| C.接通时D1先达最亮,断开时D1先灭 |
| D.接能时D2先达最亮,断开时D2先灭 |
在如图所示的电路中,a、b为两个完全相同的灯泡,L为自感线圈,E为电源,S为开关。关于两灯泡点亮和熄灭的先后次序,下列说法正确的是:( )![]()
| A.合上开关,a先亮,b后亮;断开开关,a、b同时熄灭 |
| B.合上开关,b先亮,a后亮;断开开关,a先熄灭,b后熄灭 |
| C.合上开关,b先亮,a后亮;断开开关,a、b同时熄灭 |
| D.合上开关,a、b同时亮;断开开关,b先熄灭,a后熄灭 |
一个线圈的电流在均匀增大,则这个线圈
| A.自感系数也将均匀增大 |
| B.自感电动势也将均匀增大 |
| C.磁通量也将均匀增大 |
| D.自感系数,自感电动势都不变 |
如图所示电路中,L为电感线圈,C为电容器,当开关S由 断 开变为闭合时,则 ( )![]()
| A.A灯有电流通过,方向由b到a |
| B.A灯中无电流通过,不可能变亮 |
| C.B灯立即熄灭,c点电势低于d点电势 |
| D.B灯逐渐熄灭,c点电势低于d点电势 |
若线圈中的电流强度均匀增大,则这个线圈的:
| A.自感系数也将均匀增大; | B.自感电动势也将均匀增大; |
| C.磁通量也将均匀增大; | D.自感系数、自感电动势都增大。 |
如图所示的电路中,L是自感系数很大的线圈,其电阻可忽略不计, A为一灯泡。下列说法正确的是![]()
| A.闭合S时,A灯逐渐变亮 |
| B.闭合S时,A灯立即发光并保持亮度不变 |
| C.断开S时,A灯立即熄灭 |
| D.断开S时,通过A灯的电流从b→a |
如图所示电路中,a、b两灯相同,闭合开关S电路达到稳定后两灯一样亮,则( )![]()
| A.当S断开的瞬间,a、b两灯中电流立即变为零 |
| B.当S断开的瞬间,a、b两灯中都有向右的电流,两灯不立即熄灭 |
| C.当S闭合的瞬间,a灯比b灯先亮 |
| D.当S闭合的瞬间,b灯比a灯先亮 |
在如图所示的电路中,a、b为两个完全相同的灯泡,L为自感线圈,E为电源,S为开关。关于两灯泡点亮和熄灭的先后次序,下列说法正确的是:( )![]()
| A.合上开关,a先亮,b后亮;断开开关,a、b同时熄灭 |
| B.合上开关,b先亮,a后亮;断开开关,a先熄灭,b后熄灭 |
| C.合上开关,b先亮,a后亮;断开开关,a、b同时熄灭 |
| D.合上开关,a、b同时亮;断开开关,b先熄灭,a后熄灭 |
如图所示的电路为演示自感现象的实验电路,若闭合开关S,电流达到稳定后,通过线圈L的电流为I1,通过小灯泡L2的电流为I2,小灯泡L2处于正常发光状态,则下列说法中正确的是( )![]()
| A.S闭合瞬间,L2灯缓慢变亮,L1灯立即变亮 |
| B.S闭合瞬间,L1灯缓慢变亮,L2灯立即变亮 |
| C.S断开瞬间,小灯泡L2中的电流由I1逐渐减为零,方向与I2 相反 |
| D.S断开瞬间,小灯泡L2中的电流由I1逐渐减为零,方向不变 |