如图所示,在通有恒定电流的直导线上方,一个用绝缘丝线悬挂的铜球正沿导线方向摆动,其振幅将会![]()
| A.不变 | B.减小 | C.增大 | D.先减小后增大 |
日光灯点燃时需要一高出电源电压很多的瞬时高压,而日光灯点燃后正常发光时加在灯管上的电压又需大大低于电源电压,这两点的实现( )
| A.靠与灯管并联的镇流器来完成 | B.靠与灯管串联的镇流器来完成 |
| C.靠与灯管并联的起动器来完成 | D.靠与灯管串联的启动器来完成 |
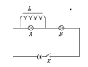
如图所示,开关S闭合且达到稳定时,小灯泡能正常发光.则当闭合S和断开S的瞬间能观察到的现象分别是( )![]()
| A.小灯泡慢慢亮;小灯泡立即熄灭 |
| B.小灯泡立即亮;小灯泡立即熄灭 |
| C.小灯泡慢慢亮;小灯泡比原来更亮一下再慢慢熄灭 |
| D.小灯泡立即亮;小灯泡比原来更亮一下再慢慢熄灭 |
如图是用电流传感器(相当于电流表,其电阻可以忽
略不计)研究自感现象的实验电路,图中两个电阻的阻值均为R,L是一个自感系数足够大的自感线圈,其直流电阻值也为R.下图是某同学画出的在t0时刻开关S切换前后,通过传感器的电流随时间变化的图象.关于这些图象,下列说法中正确的是
![]()
| A.图b中甲是开关S由断开变为闭合,通过传感器1的电流随时间变化的情况 |
| B.图b中乙是开关S由 |
| C.图b中丙是开关S由闭合变为断开,通过传感器2的电流随时间变化的情况 |
| D.图b中丁是开关S由闭合变为断开,通过传感器2的电流随时间变化的情况 |
在研究自感现象的实验中,用两个完全相同的灯泡a、b分别与自感系数很大的自感线圈L和定值电阻R组成如
图所示的电路(自感线圈的直流电阻与定值电阻R的阻值相等),闭合开关S达到稳定后两灯均可以正常发光. 关于这个实验下面的说法中正确的是 ( )
| A.闭合开关的瞬间,通过a灯和b灯的电流相等 |
| B.闭合开关后,a灯后亮,b灯先亮 |
| C.闭合开关,待电路稳定后断开开关,a、b两灯过一会同时熄灭 |
| D.闭合开 |