如图所示的电路(a)和(b)中,电阻R和自感线圈L的电阻相等且都较小,接通K使电路中的电流达到稳定时,灯泡S发光,则 ( )![]()
| A.在电路(a)中,断开K,R上电流立即为零 |
| B.在电路(a)中,断开K,S将先变得更亮,然后渐渐变暗 |
| C.在电路(b)中,断开K,S将立即变暗 |
| D.在电路(b)中,断开K,S将先变得更亮,然后渐渐变暗 |
如图所示,Dl、D2规格相同的两个小灯泡,L是带有铁芯的电阻忽略不计的电感线圈,下列说法正确的是 ( )![]()
| A.开关S接通瞬间,Dl、D2同时亮起来 |
| B.开关S接通稳定后,Dl、D2亮度相同 |
| C.开关S断开瞬间,Dl、D2同时熄灭 |
| D.开关S断开的瞬间,D1立即熄灭.D2闪亮一下再逐渐熄灭 |
日光灯电路主要由镇流器、起动器和灯管组成,在日光灯正常工作的情况下,下列说法正确的是( )
| A.灯管点燃后,起动器中两个触片是分离的 |
| B.灯管点燃后,镇流器起降压和限流作用 |
| C.镇流器在日光灯开始点燃时,为灯管提供瞬间高压 |
| D.镇流器的作用是将交变电流变成直流电使用 |
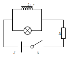
电源E、开关S、定值电阻R、小灯泡A和带铁芯的线圈L(其电阻可忽略),连成如图所示的电路,闭合开关S,电路稳定时,小灯泡A发光,则断开S瞬间,以下说法正确的是 ( )![]()
| A.小灯泡A立即熄灭 |
| B.小灯泡A逐渐变暗,且电流方向与断开S前相同 |
| C.小灯泡A逐渐变暗,且电流方向与断开S前相反 |
| D.小灯泡A先变得比断开S前更亮,然后逐渐变暗 |
如图为演示自感现象的电路图,对于电路可能发生的情况,正确的说法是( )![]()
| A.当开关由断开闭合时,灯泡不会立即发光 |
| B.当开关由断开闭合时,灯泡会立即发光,但会逐渐变暗直到稳定 |
| C.当开关由闭合断开时,灯泡不会立即熄灭 |
| D.当开关由闭合断开时,灯泡不可能比开关闭合时更亮 |
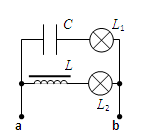
两个相同的白炽灯泡L1和L2接到如图所示的电路中,灯L1与电容器串联,灯L2与电感线圈串联.当a、b间接电压最大值为Um、频率为f的正弦交流电源时,两灯都发光,且亮度相同.在a、b间更换一个新的正弦交流电源后,灯L1的亮度低于灯L2的亮度。新电源的电压最大值和频率可能是:![]()
| A.最大值仍为Um,而频率大于f |
| B.最大值仍为Um,而频率小于f |
| C.最大值大于Um,而频率仍为f |
| D.最大值小于Um,而频率仍为f |
如图所示,当交流电源的电压为220 V,频率为50 Hz时,三只灯泡,L1、L2、L3亮度相同。若保持交流电源的电压不变,只将其频率变为100 Hz,则 ( )![]()
| A.L1、L2、L3的亮度都比原来亮 |
| B.只有L1的亮度比原来亮 |
| C.只有L2的亮度比原来亮 |
| D.只有L3的亮度比原来亮 |
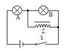
如图电路中,p、Q两灯相同,L的电阻不计,则[ ] ![]()
| A.S断开瞬间,P立即熄灭,Q过一会才熄灭 |
| B.S接通瞬间,P、Q同时达正常发光 |
| C.S断开瞬间,通过P的电流从右向左 |
| D.S断开瞬间,通过Q的电流与原来方向相反 |