某电容式话筒的原理示意图如题18图所示,E为电源,R为电阻,薄片P和Q为两金属基板。对着话筒说话时,P振动而Q可视为不动。在P、Q间距增大过程中,![]()
| A.P、Q购车的电容器的电容增大 |
| B.P上电荷量保持不变 |
| C.M点的电势比N点的低 |
| D.M点的电势比N点的高 |
如图所示,电阻R和线圈自感系数L的值都较大,电感线圈的电阻不计,A、B是两只完全相同的灯泡,当开关S闭合时,电路可能出现的情况是( )![]()
| A.B比A先亮,然后B熄灭 |
| B.A比B先亮,然后A熄灭 |
| C.A、B一起亮,然后A熄灭 |
| D.A、B一起亮,然后B熄灭 |
如图所示电路,D1、D2是两个相同的灯泡,L是一个自感系数很大的铁芯线圈,其电阻与R相同.由于存在自感现象,在电键S接通和断开时,D1、D2先后亮暗的次序是( )![]()
| A.接通时,D1先达最亮;断开时,D1后熄灭 |
| B.接通时,D2先达最亮;断开时,D2后熄灭 |
| C.接通时,D1先达最亮;断开时,D1先熄灭 |
| D.接通时,D2先达最亮;断开时,D2先熄灭 |
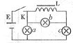
如图所示,三个相同的灯泡a、b、c和电阻不计线圈L与内阻不计电源连接,下列判断正确的有 ( )![]()
| A.K闭合的瞬间,b、c两灯亮度不同 |
| B.K闭合的瞬间,a灯最亮 |
| C.K断开的瞬间,a、c两灯立即熄灭 |
| D.K断开之后,a、c两灯逐渐变暗且亮度相同 |
如图所示的电路中,A1和A2是完全相同的灯泡,线圈L的电阻可以忽略.下列说法中正确的是:![]()
| A.合上开关K接通电路时,A1先亮,A2后亮,最后一样亮 |
| B.合上开关K接通电路时,A1和A2始终一样亮 |
| C.断开开关K切断电路时,A2立刻熄灭,Al过一会儿才熄灭 |
| D.断开开关K切断电路时,A1和A2都要过一会儿才熄灭 |
某同学在研究电容、电感对恒定电流与交变电流的影响时,采用了如图所示的电路,其中
、
是两个完全相同的灯泡。当双刀双掷开关置于3、4时,电路与交流电源接通,稳定后的两个灯泡发光亮度相同。则该同学在如下操作中能观察到的实验现象是![]()
| A.当开关置于1、2时,稳定后 |
| B.当开关置于3、4时,频率增加且稳定后, |
| C.当开关从置于1、2的稳定状态下突然断开, |
| D.当开关从置于1、2的稳定状态下突然断开, |
如图9所示,A、B两灯相同,L是带铁芯的电阻可不计的线圈,下列说法中正确的是 ( )![]()
| A.开关K合上瞬间,A、B两灯同时亮起来 |
| B.K合上稳定后,A、B同时亮着 |
| C.K断开瞬间,A、B同时熄灭 |
| D.K断开瞬间,B立即熄灭,A过一会儿再熄灭 |
如图7所示是测定自感系数很大的线圈L直流电阻的电路,L两端并联一只电压表,用来测量自感线圈的直流电压.在测量完毕后,将电路解体时应( )?![]()
图7
| A.先断开S1 |
| B.先断开S2? |
| C.先拆除电流表 |
| D.先拆除电阻R |
用相同导线绕制的边长为L或2L的四个闭合导线框,以相同的速度匀速进入右侧匀强磁场,如图所示.在每个线框进入磁场的过程中,M、N两点间的电压分别为Ua、Ub、Uc、Ud.下列判断正确的是( )![]()
| A.Ua<Ub<Uc<Ud |
| B.Ua<Ub<Ud<Uc |
| C.Ua=Ub<Ud=Uc |
| D.Ub<Ua<Ud<Uc |