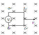
一接有电压表的矩形线圈在匀强磁场中向右作匀速运动,如图所示,下列说法正确的是( )![]()
| A.线圈中有感应电流,有感应电动势 |
| B.线圈中无感应电流,也无感应电动势 |
| C.线圈中无感应电流,有感应电动势 |
| D.线圈中无感应电流,但电压表有示数 |
关于感应电动势大小的下列说法中,正确的是
| A.线圈中磁通量变化越大,线圈中产生的感应电动势一定越大 |
| B.线圈中磁通量越大,产生的感应电动势一定越大 |
| C.线圈放在磁感强度越强的地方,产生的感应电动势一定越大 |
| D.线圈中磁通量变化越快,产生的感应电动势越大 |
在如图所示的各图中,闭合线框中能产生感应电流的是![]()
| A.①② | B.①③ | C.②④ | D.③④ |
将一根长为L的金属杆在竖直向下的匀强磁场中以初速度v水平抛出,若金属杆在运动过程中始终保持水平且与速度方向垂直,则金属杆产生的感应电动势E的大小( )
| A.保持不变 |
| B.随杆速度的增大而增大 |
| C.随杆的速度方向与磁场方向的夹角的减小而减小 |
| D.因为速度的大小与方向同时变化,无法判断E的大小 |
关于电磁感应,下列说法正确的是( )
| A.导体相对磁场运动,导体内一定会产生感应电流 |
| B.导体作切割磁感线运动,导体内一定会产生感应电流 |
| C.闭合电路在磁场中作切割磁感线运动,电路中一定会产生感应电流 |
| D.穿过闭合电路的磁通量发生变化,电路中一定会产生感应电流 |
现代生活中常用到一些电气用品与装置,它们在没有直接与电源连接下,可利用电磁感应产生的电流发挥功能.下列有关电磁感应的叙述,正确的是( )
| A.电磁感应现象是丹麦科学家奥斯特最先发现的 |
| B.电磁炉是利用涡流现象工作的 |
| C.电气用品中引起电磁感应的电源电路,使用的是稳定的直流电 |
| D.日光灯的镇流器的工作原理是电磁感应中的自感 |
矩形线圈在匀强磁场中匀速转动,从中性面开始转动180°的过程中,平均感应电动势和最大感应电动势之比为( )
| A.π/2 | B.2/π | C.2π | D.π |