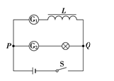
(2011年宁波效实中学检测)图中电感线圈L的直流电阻为RL,小灯泡的电阻为R,小量程电流表G1、G2的内阻不计.当开关S闭合且稳定后,电流表G1、G2的指针均偏向右侧(电流表的零刻度在表盘的中央),则当开关S断开时,下列说法中正确的是( )![]()
| A.G1、G2的指针都立即回到零点 |
| B.G1缓慢回到零点,G2立即左偏,然后缓慢回到零点 |
| C.G1立即回到零点,G2缓慢回到零点 |
| D.G2立即回到零点,G1缓慢回到零点 |
如图中半径为r的金属圆盘在垂直于盘面的匀强磁场B中,绕O轴以角速度ω沿逆时针方向匀速转动,则通过电阻R的电流的方向和大小是(金属圆盘的电阻不计)( )![]()
| A.由c到d,I=Br2ω/R |
| B.由d到c,I=Br2ω/R |
| C.由c到d,I=Br2ω/(2R) |
| D.由d到c,I=Br2ω/(2R) |
(2011年江苏南通一模)电磁炉是利用电磁感应现象产生的涡流,使锅体发热从而加热食物.下列相关的说法中正确的是( )
| A.锅体中涡流的强弱与磁场变化的频率有关 |
| B.电磁炉中通入电压足够高的直流电也能正常工作 |
| C.金属或环保绝缘材料制成的锅体都可以利用电磁炉来烹饪食物 |
| D.电磁炉的上表面一般都用金属材料制成,以加快热传递、减少热损耗 |
穿过闭合回路的磁通量Φ随时间t变化的图象分别如图中的甲~丁所示.下列关于回路中产生的感应电动势的论述中正确的是( )![]()
| A.图甲中回路产生的感应电动势恒定不变 |
| B.图乙中回路产生的感应电动势一直在变大 |
| C.图丙中回路在0~t1时间内产生的感应电动势小于在t1~t2时间内产生的感应电动势 |
| D.图丁中回路产生的感应电动势先变小后变大 |
(2011年湖北黄冈调研)如图所示,一半圆形铝框处在水平向外的非匀强磁场中,场中各点的磁感应强度为By=
,y为该点到地面的距离,c为常数,B0为一定值.铝框平面与磁场垂直,直径ab水平,(空气阻力不计)铝框由静止释放下落的过程中( )![]()
| A.铝框回路磁通量不变,感应电动势为0 |
| B.回路中感应电流沿顺时针方向,直径ab两点间电势差为0 |
| C.铝框下落的加速度大小一定小于重力加速度g |
| D.直径ab受安培力向上,半圆弧ab受安培力向下,铝框下落加速度大小可能等于g |
(2011年山东潍坊模拟)如图所示,两块金属板水平放置,与左侧水平放置的线圈通过开关K用导线连接.压力传感器上表面绝缘,位于两金属板间,带正电的小球静置于压力传感器上,均匀变化的磁场沿线圈的轴向穿过线圈.K未接通时压力传感器的示数为1 N,K闭合后压力传感器的示数变为2 N.则磁场的变化情况可能是( )![]()
| A.向上均匀增大 | B.向上均匀减小 |
| C.向下均匀减小 | D.向下均匀增大 |
如图所示为地磁场磁感线的示意图.在北半球地磁场的竖直分量向下.飞机在我国上空匀速巡航,机翼保持水平,飞行高度不变,由于地磁场的作用,金属机翼上有电势差.设飞行员左方机翼末端处的电势为U1,右方机翼末端处的电势为U2,则( )![]()
| A.若飞机从西往东飞,U1比U2高 |
| B.若飞机从东往西飞,U2比U1高 |
| C.若飞机从南往北飞,U1比U2高 |
| D.若飞机从北往南飞,U2比U1高 |
如图所示,沿x轴、y轴有两根长直导线,互相绝缘.x轴上的导线中通有沿-x方向的电流,y轴上的导线中通有沿+y方向的电流,两虚线是坐标轴所夹角的角平分线.a、b、c、d是四个圆心在虚线上、与坐标原点等距的相同的圆形导线环.当两直导线中的电流从相同大小,以相同的快慢均匀减小时,各导线环中的感应电流情况是( )![]()
| A.a中有逆时针方向的电流 |
| B.b中有顺时针方向的电流 |
| C.c中有逆时针方向的电流 |
| D.d中有顺时针方向的电流 |