磁电式仪表的线圈常常用铝框做骨架,把线圈绕在铝框上,以下关于用铝框做骨架的好处,说法正确的是
| A.铝的电阻率小,产生的感应电流大,对线圈转动的阻碍作用大 |
| B.铝的密度比较小,整个磁电式仪表的质量比较轻,便于携带 |
| C.铝是非磁性材料,不易被磁化,否则会干扰指针的指示正确性 |
| D.铝的质量轻,惯性小,通电时铝框会比较快的停止转动 |
在图甲、乙、丙三图中,除导体棒ab可动外,其余部分均固定不动,甲图中的电容器C原来不带电。设导体棒、导轨和直流电源的电阻均可忽略,导体棒和导轨间的摩擦也不计,图中装置均在水平面内,且都处于方向垂直水平面(即纸面)向下的匀强磁场中,导轨足够长。今给导体棒ab一个向右的初速度v0,在甲、乙、丙三种情形下导体棒ab的最终运动状态是![]()
| A.甲、丙中,ab棒最终将以不同的速度做匀速运动;乙中,ab棒最终静止 |
| B.甲、丙中,ab棒最终将以相同的速度做匀速运动;乙中,ab棒最终静止 |
| C.三种情形下导体棒ab最终均做匀速运动 |
| D.三种情形下导体棒ab最终均静止 |
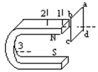
如图所示,一个闭合线圈穿入蹄形磁铁由1位置经2位置到3位置,最后从下方S极拉出,则在这一过程中,线圈的感应电流的方向是![]()
| A.沿abcd不变 | B.沿dcba不变 |
| C.先沿abcd,后沿dcba | D.先沿dcba,后沿abcd |
在固定不动的通电长直导线的近旁,放置一个可以自由移动的通电矩形线圈,若线圈abcd与直导线在同一水平面内,电流方向如图中箭头所示,则( )![]()
| A.线圈不动 | B.线圈向右运动 |
| C.线圈向左运动 | D.线圈转动 |
如图所示,虚线上方空间垂直线框平面的匀强磁场,边长为L的正三角形导线框绕垂直于线框平面的轴O以角速度
沿逆时针方向匀速转动,设线框中感应电流方向以逆时针为正,线框从图中所示位置开始转动一周过程中,下列说法中不正确的是( )![]()
| A.线框在 |
| B.线框在 |
| C.线框中产生感应负电流的时间为 |
| D.线框在进入或退出磁场的过程中均要克服磁场的阻碍作用 |
北半球海洋某处,地磁场水平分量B1=0.8×10-4T,竖直分量B2=0.5×10-4T,海水向南流动。海洋工作者测量海水的流速时,将两极板竖直插入此处海水中,保持两极板正对且垂线沿东西方向,两极板相距L=10m,如图所示。与两极板相连的电压表(可看作理想电压表)示数为U=0.2mV,则![]()
| A.西侧极板电势高,东侧极板电势低 |
| B.西侧极板电势低,东侧极板电势高 |
| C.海水的流速大小为0.4m/s |
| D.海水的流速大小为0.25m/ s |
如图所示,线圈M和线圈N绕在同一铁芯上,把滑动变阻器滑片P移到中间某一位置处,合上开关S。在下列哪些情况中,与线圈N相连的灵敏电流计G中能产生从右向左的感应电流: ![]()
| A.滑片P在向上滑动的过程中。 |
| B.滑片P在向下滑动的过程中。 |
| C.滑片P位置保持不变时。 |
| D.断开开关S的瞬间。 |
如图所示,竖直放置的长直导线通以图示方向的电流,有一矩形金属线框abcd与导线在同一平面内,下列情况,矩形线框中不会产生感应电流的是
| A.导线中电流变大 |
| B.线框向右平动 |
| C.线框向下平动 |
| D.线框以ab边为轴转动 |