如图4所示,A,B都是很轻的铝环,分别吊在绝缘细杆的两端,杆可绕中间竖直轴在水平面内转动,环A是闭合的,环B是断开的。若用磁铁分别接近这两个圆环,则下面说法正确的是:( )![]()
| A.磁铁N极接近A环时,A环被吸引,而后被推开 |
| B.磁铁N极远离A环时,A环被排斥,而后随磁铁运动 |
| C.磁铁N极接近B环时,B环被排斥,远离磁铁运动 |
| D.磁铁的任意一磁极接近A环时,A环均被排斥 |
如图17-56所示,固定在水平面内的两光滑平行金属导轨M、N,两根导体棒中P、Q平行放于导轨上,形成一个闭合回路,当一条形磁铁从高处下落接近回路时( )![]()
| A.P、Q将互相靠拢 | B.P、Q将互相远离 |
| C.磁铁的加速度仍为g | D.磁铁的加速度小于g |
如图所示,竖直放置的条形磁铁中央,有一闭合金属弹性圆环,条形磁铁中心线与弹性环轴线重合,现将弹性圆环均匀向外扩大,下列说法中正确的是( )![]()
| A.穿过弹性圆环的磁通量增大 |
| B.从上往下看,弹性圆环中有顺时针方向的感应电流 |
| C.弹性圆环中无感应电流 |
| D.弹性圆环受到的安培力方向沿半径向外 |
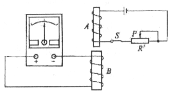
一长直铁芯上绕有一固定线圈套M,铁芯右端与一木质圆柱密接,木质圆柱上套有一闭合金属环N,N可在木质圆柱上无摩擦移动.M连接在如图所示的电路中,其中R为滑动变阻器,E1和E2为直流电源,S为单刀双掷开关.下列情况中,可观测到N向左运动的是( )![]()
| A.在S断开的情况下,S向a闭合的瞬间 |
| B.在S断开的情况下,S向b闭合的瞬间 |
| C.在S已向a闭合的情况下,将R的滑动触头向c端移动时 |
| D.在S已向a闭合的情况下,将R的滑动触头向d端移动时 |
如图所示,在匀强磁场中,MN?PQ是两根平行的金属导轨,而ab?cd为串有电压表和电流表的两根金属棒,同时以相同速度向右运动时,正确的有( )![]()
| A.电压表有读数,电流表有读数 |
| B.电压表无读数,电流表有读数 |
| C.电压表无读数,电流表无读数 |
| D.电压表有读数,电流表无读数 |
某部小说中描述一种窃听电话:窃贼将并排在一起的两根电话线分开,在其中一根电话线旁边铺设一条两端分别与耳机连接的导线,这条导线与电话线是绝缘的,如图所示.下列说法正确的是( )![]()
| A.不能窃听到电话,因为电话线中电流太小 |
| B.不能窃听到电话,因为电话线与耳机没有接通 |
| C.可以窃听到电话,因为电话中的电流是恒定电流,在耳机电路中引起感应电流 |
| D.可以窃听到电话,因为电话中的电流是交流电,在耳机电路中引起感应电流 |
如图所示,粗糙水平桌面上有一质量为m的铜质矩形线圈.当一竖直放置的条形磁铁从线圈中线AB正上方等高快速经过时,若线圈始终不动,则关于线圈受到的支持力FN及在水平方向运动趋势的正确判断是( )![]()
| A.FN先小于mg后大于mg,运动趋势向左 |
| B.FN先大于mg后小于mg,运动趋势向左 |
| C.FN先小于mg后大于mg,运动趋势向右 |
| D.FN先大于mg后小于mg,运动趋势向右 |