关于感应电流,下列说法中正确的是 ( )
| A.只要闭合电路内有磁通量,闭合电路中就有感应电流产生 |
| B.穿过螺线管的磁通量发生变化时,螺线管内部就一定有感应电流产生 |
| C.线框不闭合时,即使穿过线圈的磁通量发生变化,线圈中也没有感应电流 |
| D.只要电路的一部分作切割磁感线运动,电路中就一定有感应电流 |
如图所示,在光滑绝缘的水平桌面上放一弹性闭合导体环,在导体环轴线上方有一条形磁铁。当条形磁铁沿轴线竖直向下迅速移动时,下列判断中正确的是![]()
| A.导体环有收缩趋势 |
| B.导体环有扩张趋势 |
| C.导体环对桌面压力增大 |
| D.导体环对桌面压力减小 |
如图,磁场垂直于纸面,磁感应强度在竖直方向均匀分布,水平方向非均匀分布。一铜制圆环用丝线悬挂于
点,将圆环拉至位置
后无初速释放,在圆环从
摆向
的过程中![]()
| A.感应电流方向先逆时针后顺时针再逆时针 |
| B.感应电流方向一直是逆时针 |
| C.安培力方向始终与速度方向相反 |
| D.安培力方向始终沿水平方向 |
如图5所示,长为L的金属导线弯成一圆环,导线的两端接在电容为C的平行板电容器上,P、Q为电容器的两个极板,两板间的距离远小于环的半径。现加一垂直环面向里,磁感应强度以B=B0+kt(k>0)随时间变化的磁场,经时间t电容器P极板![]()
| A.不带电 |
| B.所带电荷量与t成正比 |
| C.带正电,电荷量是CkL2/4π |
| D.带负电,电荷量是CkL2/4π |
如图所示,线圈P通入强电流,线圈Q水平放置,从靠近线圈P的附近竖直向下落,经过相距很近的位置Ⅰ、Ⅱ、Ⅲ,下落过程中感应电流的方向自上向下看:![]()
| A.I→II是顺时针方向 | B.I→II是逆时针方向 |
| C.II→III是顺时针方向 | D.II→III是逆时针方向 |
一闭合金属线框的两边接有电阻R1、R2,框上垂直搁置一金属棒,棒与框接触良好,整个装置放在如图所示的匀强磁场中,当用外力使ab棒右移时( )![]()
| A.其穿线框的磁通量不变,框内没有感应电流 |
| B.框内有感应电流,电流方向沿顺时针方向绕行 |
| C.框内有感应电流,电流方向沿逆时针方向绕行 |
| D.框内有感应电流,左半边逆时针方向绕行,右半边顺时针方向绕行 |
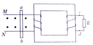
如图所示,两个线圈套在同一个铁芯上,线圈的绕向在图中已经表示。线圈连着平行导轨M和N,导轨电阻不计,在导轨垂直方向上放着金属棒ab,金属棒处于垂直纸面向外的匀强磁场中,下列说法中正确的是( )![]()
| A.当金属棒向右匀速运动时,b点电势高于a点,d点电势高于c点 |
| B.当金属棒向右匀速运动时,a点电势高于b点,c点电势高于d点 |
| C.当金属棒向右加速运动时,b点电势高于a点,d点电势高于c点 |
| D.当金属棒向右加速运动时,a点电势高于b点,c点电势高于d点 |
如图所示,竖直放置的条形磁铁中央,有一闭合金属弹性圆环,条形磁铁中心线与弹性环轴线重合,现将弹性圆环均匀向外扩大,下列说法中正确的是( )![]()
| A.穿过弹性圆环的磁通量增大 |
| B.从上往下看,弹性圆环中有顺时针方向的感应电流 |
| C.弹性圆环中无感应电流 |
| D.弹性圆环受到的安培力方向沿半径向外 |