如右图所示,在匀强磁场B中放一电阻不计的平行金属导轨,导轨跟固定的大导体矩形环M相连接,导轨上放一根金属导体棒ab并与导轨紧密接触,磁感应线垂直于导轨所在平面。若导体棒匀速地向右做切割磁感线的运动,则在此过程中M所包围的固定闭合小矩形导体环N中电流表内 ( )![]()
| A.有自下而上的恒定电流 |
| B.产生自上而下的恒定电流 |
| C.电流方向周期性变化 |
| D.没有感应电流 |
如图所示,通电螺线管的内部中间和外部正上方静止悬挂着金属环a和b,当变阻器R的滑动头c向左滑动时( )![]()
| A.a环向左摆,b环向右摆 |
| B.a环和b环都不会左摆或右摆 |
| C.两环对悬线的拉力都将增大 |
| D.a环和b环中感应电流的方向相同 |
如图所示,水平桌面上放一闭合铝环,在铝环轴线上方有一条形磁铁.当条形磁铁沿轴线竖直向下迅速移动时,下列判断中正确的是( )![]()
| A.铝环有收缩趋势,对桌面压力减小 |
| B.铝环有收缩趋势,对桌面压力增大 |
| C.铝环有扩张趋势,对桌面压力减小 |
| D.铝环有扩张趋势,对桌面压力增大 |
MN、GH为光滑的水平平行金属导轨,ab、cd为跨在导轨上的两根金属杆,匀强磁场垂直穿过MN、GH所在的平面,如图所示,则
| A.若固定ab,使cd向右滑动,则abdc回路有电流,电流方向由a→b→d→c |
| B.若ab、cd以相同的速度一起向右滑动,则abdc回路有电流,电流方向由c→d→b→a |
| C.若ab向左、cd向右同时运动,则abdc回路电流为零 |
| D.若ab、cd都向右运动,且两棒速度vcd>vab,则abdc回路有电流,电流方向由c→d→b→a |
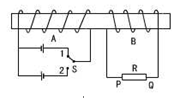
如图,在同一铁心上绕着两个线圈,单刀双掷开关原来接在1位置,现在它从1打向2,试判断此过程中,通过R的电流方向是![]()
| A.先由P到Q,再由Q到P |
| B.先由Q到P,再由P到Q |
| C.始终是由Q到P |
| D.始终是由P到Q |
如图所示,闭合矩形线圈abcd与长直导线MN在同一平面内,线圈的ab、dc两边与直导线平行,直导线中通有向下均匀增大的电流,则( )![]()
| A.矩形线圈中的感应电流为顺时针方向 |
| B.矩形线圈的感应电流随时间均匀增大 |
| C.整个线圈所受的磁场力合力方向向右 |
| D.整个线圈所受的磁场力合力为零 |
将一闭合金属线圈放置在磁场中,若线圈中没有产生感应电流,则可以判定( )
| A.线圈没有在磁场中运动 | B.线圈没有做切割磁感线运动 |
| C.磁场没有发生变化 | D.穿过线圈的磁通量没有发生变化 |
如图所示,金属棒ab置于水平放置的光滑框架cdef上,棒与框架接触良好,匀强磁场垂直于ab棒斜向下.从某时刻开始磁感应强度均匀减小(假设不会减至零),同时施加一个水平外力F使金属棒ab保持静止,则F ( )
| A.方向向右,且为恒力 | B.方向向右,且为变力 |
| C.方向向左,且为变力 | D.方向向左,且为恒力 |