如图,在同一铁心上绕着两个线圈,单刀双掷开关原来接在1位置,现在它从1打向2,试判断此过程中,通过R的电流方向是( )![]()
| A.先由P到Q,再由Q到P | B.先由Q到P,再由P到Q |
| C.始终是由Q到P | D.始终是由P到Q |
如图所示,虚线为磁感应强度大小均为B的两匀强磁场的分界线,实线MN为它们的理想下边界。边长为L的正方形线圈电阻为R,ab边与MN重合,且可以绕过a点并垂直线圈平面的轴以角速度
匀速转动,则下列说法正确的是( )![]()
| A.从图示的位置开始逆时针转动180°的过程中,线框中感应电流方向始终为逆时针 |
| B.从图示的位置开始顺时针转动90°到180°这段时间内,线圈完全在磁场中无感应电流 |
| C.从图示的位置顺时针转动180°的过程中,线框中感应电流的最大值为 |
| D.从图示的位置开始顺时针方向转动270°的过程中,通过线圈的电量为 |
边长为L的正方形导线框在水平恒力F作用下运动,穿过方向如图所示的有界匀强磁场区域.磁场区域的宽度为d(d>L).已知ab边进入磁场时,线框的加速度恰好为零.则线框进入磁场的过程和从磁场另一侧穿出的过程相比较,正确的是 ![]()
| A.金属框中产生的感应电流方向相反 |
| B.金属框所受的安培力方向相反 |
| C.进入磁场过程通过导线横截面的电量少于穿出磁场过程 通过导线横截面的电量 |
| D.进入磁场过程的发热量少于穿出磁场过程的发热量 |
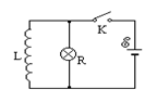
如图所示,线圈匝数足够多,其直流电阻为3欧,先合上电键K,过一段时间突然断开K,则下列说法中正确的有( )![]()
| A.电灯立即熄灭 |
| B.电灯不熄灭 |
| C.电灯会逐渐熄灭,且电灯中电流方向与K断开前方向相同 |
| D.电灯会逐渐熄灭,且电灯中电流方向与K断开前方向相反 |
当一段导线在磁场中做切割磁感线运动时,则 ( )
| A.导线中一定有感应电流 | B.导线一定受到磁场的安培力,这个力阻碍导线运动 |
| C.导线上一定会产生焦耳热 | D.导线中一定有感应电动势 |
如图所示,在磁感应强度B=0.50T的匀强磁场中,导体PQ在力F作用下在U型导轨上以速度v=10m/s向右匀速滑动,两导轨间距离L=1m,电阻R=1Ω,导体和导轨电阻忽略不计,则以下说法正确的是![]()
| A.导体PQ切割磁感线产生的感应电动势的大小为5V |
| B.导体PQ受到的安培力方向水平向右 |
| C.作用力F大小是0.50N |
| D.作用力F的功率是25W |
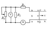
如图所示,在水平放置的两条平行线光滑导轨上有一垂直其放置的金属棒ab,匀强磁场跟轨道平面垂直,磁场方向如图所示,导轨接有两定值,R1=5Ω,R2=6Ω,及滑动变阻器R0,其余电阻不计。电路中的电压表量程为0-10V,电流表的量程为0-3A,现将R0调至30Ω,用F=40N水平向右的力使ab垂直导轨的向右平移,当ab达到稳定状态时,两电表中有一表正好达到满偏,而另一表未达到满偏。则下列说法正确的是![]()
| A.当棒ab达到稳定状态时,电流表满偏 |
| B.当棒ab达到稳定状态时,电压表满偏 |
| C.当棒ab达到稳定状态时,棒ab的速度是1 m/s |
| D.当棒ab达到稳定状态时,棒ab的速度是2.25 m/s |