金属导体板宽为d,通以如图所示方向的电流,其中自由电子定向运动的速度为v,整个导体板置于磁感应强度为B的匀强磁场中。则下面说法正确的是![]()
| A.导体左侧聚集较多的电子 |
| B.导体右侧聚集较多的电子 |
| C.由于电子的聚集,使得左右两侧电势差为2Bdv |
| D.由于电子的聚集,使得左右两侧电势差为Bdv |
如图所示,让线圈由位置1通过一个匀强磁场的区域运动到位置2,下列说法正确的是![]()
| A.整个线圈在匀强磁场中匀速运动时,线圈中有感应电流,而且电流是恒定的。 |
| B.在线圈进入匀强磁场区域的过程中,线圈中有感应电流,而且进入时的速度越大,感应电流越大。 |
| C.整个线圈在匀强磁场中加速运动时,线圈中有感应电流,而且电流是恒定的。 |
| D.在线圈穿出匀强磁场区域的过程中,线圈中有感应电流,而且穿出时的速度越大,感应电流越大。 |
如图所示,一个矩形线框从匀强磁场的上方自由落下,进入匀强磁场中,然后再从磁场中穿出,已知匀强磁场区域的宽度大于线框的高度h,那么下列说法中正确的是( )
| A.线框只在进入和穿出磁场的过程中,才有感应电流产生 |
| B.线框从进入到穿出磁场的整个过程中,都有感应电流产生 |
| C.线框在进入和穿出磁场的过程中,都是机械能变成电能 |
| D.整个线框都在磁场中运动时,机械能转变成电能 |
如图所示,足够长的平行光滑导轨固定在水平面上,电阻忽略不计,其右端连接有两个定值电阻R1、R2,电键S处于断开状态,整个装置处于竖直方向的匀强磁场中。一电阻为R3的导体棒在恒定的水平外力F的作用下在导轨上匀速向左运动,运动中导体棒始终与导轨垂直。现将电键S闭合,下列说法正确的是( )![]()
| A.刚闭合S的瞬间,导体棒中的电流增大 |
| B.刚闭合S的瞬问,导体棒两端电压增大 |
| C.闭含S后,导体棒做减速运动直到停止 |
| D.闭合S后,导体棒做减速运动直到再一次匀速运动 |
矩形线圈绕垂直于匀强磁场的对称轴做匀速转动,经过中性面时,以下说法不正确的是( )
| A.线圈平面与磁感线方向垂直 |
| B.线圈中感应电流的方向将发生改变 |
| C.通过线圈平面的磁通量最大 |
| D.通过线圈的感应电流最大 |
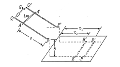
如图所示,粗糙的平行金属导轨倾斜放置,导轨电阻不计,顶端QQ′之间连接一个阻值为R的电阻和开关S,底端PP′处有一小段水平轨道相连,匀强磁场B垂直于导轨平面。断开开关S,将一根质量为m、长为l的金属棒从AA′处静止开始滑下,落在水平面上的FF′处;闭合开关S,将金属棒仍从AA′处静止开始滑下,落在水平面上的EE′处;开关S仍闭合,金属棒从CC′处静止开始滑下,仍落在水平面上的EE′处。(忽略金属棒经过PP′处的能量损失)测得相关数据如图所示,下列说法正确的是 ( )![]()
| A.S断开时,金属板沿斜面下滑的加速度 |
| B. |
| C.电阻R上产生的热量 |
| D.CC′一定在AA′的上方 |
如图两根不计电阻的光滑金属导轨MN、PQ并排固定在同一绝缘水平面上,将两根完全相同的导体棒a、b静止置于导轨上,两棒与导轨接触良好且与导轨垂直,整个装置处于竖直向下的匀强磁场中。已知两导轨间的距离为L,导体棒的质量均为m,现突然给导体棒b一水平瞬间冲量使之产生一向右的初速度vo,下列说法正确的是
| A.据上述已知量可求出棒a的最终速度 | B.据上述已知量可求出棒a上产生的总焦耳热 |
| C.据上述已知量可求出通过棒a的最大电量 | D.据上述已知量可求出棒a、b间的最大间距 |