竖直导线ab与水平面上放置的圆线圈隔有一小段距离,其中直导线固定,线圈可自由运动,当同时通以如图4所示方向的电流时(圆线圈内电流从上向下看是逆时针方向电流),则从左向右看,线圈将( )![]()
| A.不动。 | B.顺时针转动,同时靠近导线。 |
| C.顺时针转动,同时离开导线。 | D.逆时针转动,同时靠近导线。 |
实验室经常使用的电流表是磁电式仪表。这种电流表的构造如图甲所示。蹄形磁铁和铁芯间的磁场是均匀地辐向分布的。当线圈通以如图乙所示的电流,下列说法正确的是:( )
| A.线圈转到什么角度,它的平面都跟磁感线平行 |
| B.线圈转动时,螺旋弹簧被扭动,阻碍线圈转动 |
| C.当线圈转到如图乙所示的位置,b端受到的安培力方向向上 |
| D.当线圈转到如图乙所示的位置,安培力的作用使线圈沿顺时针方向转动 |
如图所示,通电直导线垂直穿过闭合线圈的中心,那么![]()
| A.当导线中电流增大时,线圈中有感应电流; |
| B.当线圈左右平动时,线圈中有感应电流; |
| C.当线圈上下平动时,线圈中有感应电流; |
| D.以上各种情况都不会产生感应电流。 |
如图所示,两根长通电导线M、N中通有同方向等大小的电流,一闭合线框abcd位于两平行通电导线所在平面上,并可自由运动,线框两侧与导线平行且等距,当线框中通有图示方向电流时,该线框将( )![]()
| A.ab边向里,cd边向外转动 | B.ab边向外,cd边向里转动 |
| C.线框向左平动,靠近导线M | D.线框向右平动,靠近导线N |
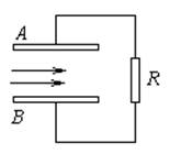
如图所示为一磁流体发电机示意图,A、B是平行正对的金属板,等离子体(电离的气体,由自由电子和阳离子构成,整体呈电中性)从左侧进入,在t时间内有n个自由电子落在B板上,则关于R中的电流大小及方向判断正确的是( )![]()
| A.I = | B.I = |
| C.I = | D.I = |
下列用电器中,利用电流的热效应工作的是
| A.电风扇 | B.电炉 | C.电饭锅 | D.洗衣机 |
小型交流发电机中,矩形金属线圈在匀强磁场中匀速转动,产生的感应电动势与时间呈正弦函数关系,如图所示.此线圈与一个R = 9Ω的电阻构成闭合电路,线圈自身的电阻r = 1Ω,下列说法正确的是 ( )![]()
| A.交变电流的周期为0.2 s |
| B.交变电流的频率为2.5Hz |
| C.发电机输出的电压有效值为 |
| D.发电机输出的电功率为18W |
如图9所示,工厂里通过水平绝缘传送带输送完全相同的铜线圈,线圈等距离排列,且与传送带以相同的速度匀速运动。为了检测出个别未闭合的不合格线圈,让传送带通过一固定匀强磁场区域,磁场方向垂直于传送带,根据穿过磁场后线圈间的距离,就能够检测出不合格线圈,通过观察图形,判断下列
说法正确的是![]()
| A.若线圈闭合,进入磁场时,线圈相对传送带向后滑动 |
| B.若线圈不闭合,进入磁场时,线圈相对传送带向后滑动 |
| C.从图中可以看出,第3个线圈是不合格线圈 |
| D.从图中可以看出,第4个线圈是不合格线圈 |
如图所示,矩形线圈abcd 在匀强磁场中可以分别绕垂直于磁场方向的轴
P1和P2以相同的角速度匀速转动,当线圈平面转到与磁场方向平行时![]()
| A.线圈绕P1转动时的电流等于绕P2转动时的电流 |
| B.线圈绕P1转动时的电动势小于绕P2转动时的电动势 |
| C.线圈绕P1和P2转动时电流的方向相同,都是a→b→c→d |
| D.线圈绕P1转动时dc边受到的安培力大于绕P2转动时dc边受到的安培力 |
在LC振荡电路中,某时刻线圈中磁场方向如图所示,则下列说法中正确的是 ( )
| A.若磁场正在加强,则电容器正在放电,电流方向为a→b |
| B.若磁场正在减弱,则 |
| C.若磁场正在减弱,则电场能正在增加,电容器下板 |
| D.若磁场正在加强,则电容器正在充电,电流方向为b→a |