为了测量某化肥厂的污水排放量,技术人员在该厂的排污管末端安装了如图所示的流量计,该装置由绝缘材料制成,长、宽、高分别为a、b、c,左右两端开口,在垂直于上下表面方向加磁感应强度为B的匀强磁场,在前后两个内侧面固定有金属板作为电极,污水充满管口从左向右流经该装置时,电压表将显示两个电极间的电压U.若用Q表示污水流量 (单位时间内排出的污水体积),下列说法正确的是:
| A.若污水中正离子较多,则前内侧面比后内侧面电势高 |
| B.前内侧面的电势一定低于后内侧面的电势,与哪种离子多无关 |
| C.污水中离子浓度越高,电压表的示数将越大 |
| D.污水流量Q与电压U成正比,与a、b有关 |
为了测量某化肥厂的污水排放量,技术人员在该厂的排污管末端安装了如图所示的流量计,该装置由绝缘材料制成,长、宽、高分别为a、b、c,左右两端开口,在垂直于上下表面方向加磁感应强度为B的匀强磁场,在前后两个内侧面固定有金属板作为电极并与电压表的两接线柱连接(图中未画出),电压表将显示两个电极间的电压,污水充满管口从左向右流经该装置时,流量稳定时电压表显示电压为U.若用Q表示污水流量 (单位时间内排出的污水体积),下列说法正确的是 ( )![]()
| A.若污水中正离子较多,则前内侧面比后内侧面电势高 |
| B.前内侧面的电势一定低于后内侧面的电势,与哪种离子多无关 |
| C.污水中离子浓度越高,电压表的示数将越大 |
| D.污水流量Q与电压U成正比,与a、b无关 |
医生做某些特殊手术时,利用电磁血流计来监测通过动脉的血流速度。电磁血流计由一对电极a和b以及一对磁极N和S构成,磁极间的磁场是均匀的。使用时,两电极a、b均与血管壁接触,两触点的连线、磁场方向和血流速度方向两两垂直,如图所示,由于血液中的正负离子随血液一起在磁场中运动,电极a、b之间会有微小电势差。在达到平衡时,血管内部的电场可看作是匀强电场,血液中的离子所受的电场力和磁场力的合力为零。在某次监测中,两触点间的距离为3.0mm,血管壁的厚度可忽略,两触点间的电势差为160μV,磁感应强度的大小为0.040T。则血流速度的近似值和电极a、b的正负为![]()
| A.1.3m/s,a正、b负 | B.2.7m/s,a正、b负 |
| C.1.3m/s,a负、b正 | D.2.7m/s,a负、b正 |
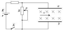
图所示,电源电动势为E,内阻为r,滑动变阻器电阻为R,开关闭合.两平行金属极板a、b间有垂直纸面向里的匀强磁场,一带正电粒子正好以速度v匀速穿过两板.不计带电粒子的重力,以下说法正确的是![]()
| A.保持开关闭合,将滑片p向上滑动一点,粒子将可能从下极板边缘射出 |
| B.保持开关闭合,将滑片p向下滑动一点,粒子将可能从下极板边缘射出 |
| C.保持开关闭合,将a极板向下移动一点,粒子将继续沿直线穿出 |
| D.如果将开关断开,粒子将继续沿直线穿出 |
如图所示,真空中存在重力场及相互垂直的匀强电场和匀强磁场,一带电液滴在此复合场空间中可能有不同的运动状态。下列关于带电液滴的电性和运动状态的说法中正确的是![]()
| A.如果带正电,液滴可能处于静止状态 |
| B.如果带负电,液滴可能做匀速直线运动 |
| C.如果带正电,液滴可能做匀速直线运动 |
| D.如果带负电,液滴可能做匀速圆周运动 |
如图所示,带电平行板中匀强电场方向竖直向下,匀强磁场方向水平向里,一带电小球从光滑绝缘轨道上的a点自由滑下,经过轨道端点P进入板间恰好沿水平方向做直线运动.现使小球从轨道上较低的b点开始滑下,经P点进入板间之后运动的一小段时间内,下列说法正确的是( )![]()
| A.小球动能可能减小 |
| B.小球的重力势能可能会减小 |
| C.小球的机械能可能不变 |
| D.小球的电势能一定会减少 |