现有一束由a粒子、质子、电子组成的粒子束各自以一定的初速度垂直进入一正交的匀强磁场和匀强电场正方体区域,则下列判断正确的是( )
| A.沿直线通过的粒子的速度由各自的比荷确定 |
| B.沿直线通过的粒子的速度由各自的初动能决定 |
| C.沿直线通过的粒子的速度都相同 |
| D.不沿直线通过的粒子的动能一定不发生变化 |
如图所示,某空间存在正交的匀强磁场和匀强电场,电场方向水平向右,磁场方向垂直纸面向里,一带电微粒由a点进入电磁场并刚好能沿ab直线向上运动。下列说法正确的是
| A.微粒一定带负电 |
| B.微粒动能一定减小 |
| C.微粒的电势能一定增加 |
| D.微粒的机械能不变 |
地面附近空间中存在着水平方向的匀强电场和匀强磁场,已知磁场方向垂直纸面向里,一个带电油滴能沿一条与竖直方向成
角的直线MN运动(MN在垂直于磁场方向的平面内),如图所示,则以下判断中正确的是
| A.油滴一定带正电 |
| B.油滴一定带负电 |
| C.如果电场方向水平向右,油滴是从M点运动到N点 |
| D.如果电场方向水平向左,油滴是从M点运动到N点 |
真空中有一正方形区域abcd,让一个带电粒子(不计重力)从a点以相同的初速度v沿ab方向射入该区域;若区域内只有平行于ad 的匀强电场,粒子恰好从c点射出;若区域内只有垂直于abcd平面的匀强磁场,粒子也恰好从c点射出。则匀强电场的电场强度E与匀强磁场的磁感应强度B的大小关系是
| A. |
| B.E = vB |
| C.E = 2vB |
| D.E = 4vB |
.如图所示为一速度选择器,两极板P、Q之间距离为d,且P接电源负极,Q接正极;板内有一磁感应强度为B,方向垂直纸面向外的匀强磁场,一束粒子流以速度v流经磁场时恰好不偏转(不计重力),则两极板必须加上一定电压U;则下列说法中正确的是( )
| A.U=Bvd,粒子一定带正电 |
| B.U=Bv,粒子一定带负电 |
| C.U=Bvd,粒子一定从a运动到b |
| D.U=Bvd,粒子可能从b运动到a |
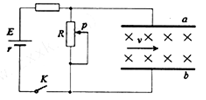
如图所示,电源电动势为E,内阻为r,滑动变阻器电阻为R.开关闭合。两平行金属极板a、b间有垂直纸面向里的匀强磁场,一带正电粒子正好以速度v匀速穿过两板。不计带电粒子的重力,以下说法正确的是( )![]()
| A.保持开关闭合,将滑片p向上滑动一点,粒子将可能从下极板边缘射出 |
| B.保持开关闭合,将滑片p向下滑动一点粒子将可能从下极板边缘射出 |
| C.保持开关闭合,将a极板向下移动一点,粒子将继续沿直线穿出 |
| D.如果将开关断开,粒子将继续沿直线穿出 |
如右图所示,匀强电场和匀强磁场相互正交,宽度为d,竖直方向足够长。今有一束α粒子以不同的速率沿图示方向射入场区。设α粒子的带电量为q,不计重力,那么飞出复合场区的α粒子的动能变化量可能为( )![]()
| A. | B. |
| C.0 | D.qEd |
水平放置的平行金属板a、b带有等量正负电荷,a板带正电,两板间有垂直于纸面向里的匀强磁场,一个带正电的粒子在两板间作直线运动,粒子的重力不计。关于粒子在两板间运动的情况,正确的是![]()
| A.只能是向右做匀速直线运动 | B.可能向右做匀加速直线运动 |
| C.只能是向左做匀速直线运动 | D.可能向左做匀加速直线运动 |